Test: Samsung Galaxy Note20 Ultra - Kommer både med S Pen och kraftfulla funktioner (Sammanfattning)
Testgrupp
Gradering | Datum | Modell | Vikt | Enheten | Storlek | Upplösning | Pris |
|---|---|---|---|---|---|---|---|
| 89.6 % v7 (old) | 09/2020 | Samsung Galaxy Note20 Ultra Exynos 990, Mali-G77 MP11 | 208 g | 256 GB UFS 3.1 Flash | 6.90" | 3088x1440 | |
| 87.5 % v7 (old) | 09/2019 | Samsung Galaxy Note10+ Exynos 9825, Mali-G76 MP12 | 196 g | 256 GB UFS 3.0 Flash | 6.80" | 3040x1440 | |
| 89 % v7 (old) | 12/2019 | Huawei Mate 30 Pro Kirin 990, Mali-G76 MP16 | 198 g | 256 GB UFS 3.0 Flash | 6.53" | 2400x1176 | |
| 88.2 % v7 (old) | 04/2020 | Xiaomi Mi 10 Pro SD 865, Adreno 650 | 208 g | 256 GB UFS 3.0 Flash | 6.67" | 2340x1080 | |
| 87.1 % v7 (old) | 10/2019 | Apple iPhone 11 Pro Max A13 Bionic, A13 Bionic GPU | 226 g | 64 GB SSD | 6.50" | 2688x1242 |
Topp 10...
» Topp 10: Bästa bärbara allround/multimediadatorerna
» Topp 10: Bästa bärbara speldatorerna
» Topp 10: Bärbara budget/kontorsdatorer
» Topp 10: Bästa bärbara kontors/premiumdatorerna
» Topp 10: Bärbara arbetsstationer
» Topp 10: De bästa små/kompakta bärbara datorerna
» Topp 10: Bästa ultrabooks
» Topp 10: Bästa hybriddatorerna
» Topp 10: Bästa surfplattorna
» Topp 10: Marknadens bästa smartphones
Storleksjämförelse
Bildjämförelse
Välj en scen och navigera inom den första bilden. Ett klick ändrar positionen på pekskärmar. Ett klick på den inzoomade bilden öppnar originalet i ett nytt fönster. Den första bilden visar det skalade fotografiet av testanordningen.
WeitwinkelWeitwinkelLow-LightZoomUltraweitwinkel


| |||||||||||||||||||||||||
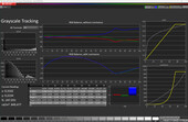
Distribution av ljusstyrkan: 96 %
Mitt på batteriet: 860 cd/m²
Kontrast: ∞:1 (Svärta: 0 cd/m²)
ΔE ColorChecker Calman: 4.5 | ∀{0.5-29.43 Ø4.78}
ΔE Greyscale Calman: 2.4 | ∀{0.09-98 Ø5}
96.9% sRGB (Calman 2D)
Gamma: 2
CCT: 6466 K
| Samsung Galaxy Note20 Ultra Dynamic AMOLED, 3088x1440, 6.9" | Samsung Galaxy Note10+ Dynamic AMOLED, 3040x1440, 6.8" | Huawei Mate 30 Pro OLED, 2400x1176, 6.5" | Xiaomi Mi 10 Pro Super AMOLED, 2340x1080, 6.7" | Apple iPhone 11 Pro Max OLED, 2688x1242, 6.5" | |
|---|---|---|---|---|---|
| Screen | 9% | 4% | 30% | 23% | |
| Brightness middle (cd/m²) | 860 | 683 -21% | 592 -31% | 753 -12% | 790 -8% |
| Brightness (cd/m²) | 878 | 694 -21% | 605 -31% | 762 -13% | 790 -10% |
| Brightness Distribution (%) | 96 | 96 0% | 96 0% | 96 0% | 97 1% |
| Black Level * (cd/m²) | |||||
| Colorchecker dE 2000 * | 4.5 | 2.9 36% | 2.5 44% | 0.9 80% | 1.4 69% |
| Colorchecker dE 2000 max. * | 10.4 | 4.8 54% | 5.5 47% | 1.6 85% | 3.4 67% |
| Greyscale dE 2000 * | 2.4 | 2.2 8% | 2.6 -8% | 1.5 37% | 1.9 21% |
| Gamma | 2 110% | 2.11 104% | 2.16 102% | 2.24 98% | 2.23 99% |
| CCT | 6466 101% | 6247 104% | 6173 105% | 6415 101% | 6466 101% |
* ... mindre är bättre
Skärmflimmer / PWM (Puls-Width Modulation)
| Skärmflimmer / PWM upptäckt | 245.1 Hz | ≤ 99 % ljusstyrka inställning | |
Displayens bakgrundsbelysning flimrar vid 245.1 Hz (i värsta fall, t.ex. med PWM) Flimrande upptäckt vid en ljusstyrkeinställning på 99 % och lägre. Det ska inte finnas något flimmer eller PWM över denna ljusstyrkeinställning. Frekvensen för 245.1 Hz är relativt låg, så känsliga användare kommer sannolikt att märka flimmer och uppleva ansträngda ögon vid den angivna ljusstyrkeinställningen och nedan. Som jämförelse: 53 % av alla testade enheter använder inte PWM för att dämpa skärmen. Om PWM upptäcktes mättes ett medelvärde av 8111 (minst: 5 - maximum: 343500) Hz. | |||
Visa svarstider
| ↔ Svarstid svart till vitt | ||
|---|---|---|
| 3.2 ms ... stiga ↗ och falla ↘ kombinerat | ↗ 2 ms stiga | |
| ↘ 1.2 ms hösten | ||
| Skärmen visar väldigt snabba svarsfrekvenser i våra tester och borde vara mycket väl lämpad för fartfyllt spel. I jämförelse sträcker sig alla testade enheter från 0.1 (minst) till 240 (maximalt) ms. » 13 % av alla enheter är bättre. Det betyder att den uppmätta svarstiden är bättre än genomsnittet av alla testade enheter (20.2 ms). | ||
| ↔ Svarstid 50 % grått till 80 % grått | ||
| 8.8 ms ... stiga ↗ och falla ↘ kombinerat | ↗ 4.4 ms stiga | |
| ↘ 4.4 ms hösten | ||
| Skärmen visar snabba svarsfrekvenser i våra tester och bör passa för spel. I jämförelse sträcker sig alla testade enheter från 0.165 (minst) till 636 (maximalt) ms. » 21 % av alla enheter är bättre. Det betyder att den uppmätta svarstiden är bättre än genomsnittet av alla testade enheter (31.6 ms). | ||
| PCMark for Android | |
| Work performance score (sortera efter värde) | |
| Samsung Galaxy Note20 Ultra | |
| Samsung Galaxy Note10+ | |
| Huawei Mate 30 Pro | |
| Xiaomi Mi 10 Pro | |
| Genomsnitt Samsung Exynos 990 (13627 - 14760, n=5) | |
| Work 2.0 performance score (sortera efter värde) | |
| Samsung Galaxy Note20 Ultra | |
| Samsung Galaxy Note10+ | |
| Huawei Mate 30 Pro | |
| Xiaomi Mi 10 Pro | |
| Genomsnitt Samsung Exynos 990 (10008 - 11784, n=5) | |
| AnTuTu v8 - Total Score (sortera efter värde) | |
| Samsung Galaxy Note20 Ultra | |
| Huawei Mate 30 Pro | |
| Xiaomi Mi 10 Pro | |
| Apple iPhone 11 Pro Max | |
| Genomsnitt Samsung Exynos 990 (296746 - 527820, n=5) | |
| Basemark GPU 1.1 | |
| 1920x1080 Vulkan Medium Offscreen (sortera efter värde) | |
| Samsung Galaxy Note10+ | |
| Huawei Mate 30 Pro | |
| Genomsnitt Samsung Exynos 990 (71.4 - 71.6, n=2) | |
| Vulkan Medium Native (sortera efter värde) | |
| Samsung Galaxy Note10+ | |
| Huawei Mate 30 Pro | |
| Genomsnitt Samsung Exynos 990 (42.3 - 63, n=2) | |
| 1920x1080 OpenGL Medium Offscreen (sortera efter värde) | |
| Samsung Galaxy Note10+ | |
| Huawei Mate 30 Pro | |
| Genomsnitt Samsung Exynos 990 (84.1 - 85.6, n=2) | |
| VRMark - Amber Room (sortera efter värde) | |
| Samsung Galaxy Note10+ | |
| Huawei Mate 30 Pro | |
| Xiaomi Mi 10 Pro | |
| Genomsnitt Samsung Exynos 990 (4607 - 4957, n=3) | |
| Jetstream 2 - 2.0 Total Score | |
| Genomsnitt av klass Smartphone (23.8 - 387, n=152, senaste 2 åren) | |
| Apple iPhone 11 Pro Max (Safari Mobile 13.1) | |
| Huawei Mate 30 Pro (Chrome 78) | |
| Xiaomi Mi 10 Pro (Chrome 81) | |
| Samsung Galaxy Note20 Ultra (Chrome 84) | |
| Genomsnitt Samsung Exynos 990 (50.6 - 56.8, n=5) | |
| Samsung Galaxy Note10+ (Samung Browser 9.2) | |
| JetStream 1.1 - Total Score | |
| Apple iPhone 11 Pro Max (Safari Mobile 13.1) | |
| Huawei Mate 30 Pro (Chrome 78) | |
| Xiaomi Mi 10 Pro (Chrome 81) | |
| Samsung Galaxy Note20 Ultra (Chrome 84) | |
| Genomsnitt Samsung Exynos 990 (89.3 - 96.2, n=5) | |
| Samsung Galaxy Note10+ (Samsung Browser 9.2) | |
| Speedometer 2.0 - Result 2.0 | |
| Genomsnitt av klass Smartphone (15.2 - 643, n=126, senaste 2 åren) | |
| Apple iPhone 11 Pro Max (Safari Mobile 13.1) | |
| Huawei Mate 30 Pro (Chrome 78) | |
| Xiaomi Mi 10 Pro (Chrome 81) | |
| Genomsnitt Samsung Exynos 990 (50.8 - 64.4, n=4) | |
| Samsung Galaxy Note10+ (Samsung Browser 9.2) | |
| WebXPRT 3 - Overall | |
| Apple iPhone 11 Pro Max (Safari Mobile 13.1) | |
| Genomsnitt av klass Smartphone (38 - 380, n=34, senaste 2 åren) | |
| Huawei Mate 30 Pro (Chrome 78) | |
| Samsung Galaxy Note10+ (Samsung Browser 9.2) | |
| Samsung Galaxy Note20 Ultra (Chrome 84) | |
| Xiaomi Mi 10 Pro (Chrome 81) | |
| Genomsnitt Samsung Exynos 990 (86 - 102, n=5) | |
| Octane V2 - Total Score | |
| Apple iPhone 11 Pro Max (Safari Mobile 13.1) | |
| Genomsnitt av klass Smartphone (2228 - 121337, n=199, senaste 2 åren) | |
| Huawei Mate 30 Pro (Chrome 78) | |
| Xiaomi Mi 10 Pro (Chrome 81) | |
| Samsung Galaxy Note20 Ultra (Chrome 84) | |
| Samsung Galaxy Note10+ (Samsung Browser 9.2) | |
| Genomsnitt Samsung Exynos 990 (18094 - 20022, n=5) | |
| Mozilla Kraken 1.1 - Total | |
| Samsung Galaxy Note10+ (Samsung Browser 9.2) | |
| Genomsnitt Samsung Exynos 990 (2294 - 2511, n=5) | |
| Samsung Galaxy Note20 Ultra (Chrome 84) | |
| Xiaomi Mi 10 Pro (Chrome 81) | |
| Huawei Mate 30 Pro (Chrome 78) | |
| Genomsnitt av klass Smartphone (257 - 28190, n=154, senaste 2 åren) | |
| Apple iPhone 11 Pro Max (Safari Mobile 13.1) | |
* ... mindre är bättre
| Samsung Galaxy Note20 Ultra | Samsung Galaxy Note10+ | Huawei Mate 30 Pro | Xiaomi Mi 10 Pro | Genomsnitt 256 GB UFS 3.1 Flash | Genomsnitt av klass Smartphone | |
|---|---|---|---|---|---|---|
| AndroBench 3-5 | -7% | 7% | 13% | 29% | 66% | |
| Sequential Read 256KB (MB/s) | 1782 | 1504 -16% | 1781 0% | 1739 -2% | 1757 ? -1% | 2213 ? 24% |
| Sequential Write 256KB (MB/s) | 802 | 588 -27% | 401.8 -50% | 750 -6% | 1204 ? 50% | 1831 ? 128% |
| Random Read 4KB (MB/s) | 186.7 | 196.2 5% | 226.4 21% | 264.9 42% | 287 ? 54% | 294 ? 57% |
| Random Write 4KB (MB/s) | 217.7 | 183.6 -16% | 259.2 19% | 258.5 19% | 318 ? 46% | 333 ? 53% |
| Sequential Read 256KB SDCard (MB/s) | 65.6 ? | 71 ? 8% | 82.5 ? 26% | 75.9 ? 16% | ||
| Sequential Write 256KB SDCard (MB/s) | 55.6 ? | 59.5 ? 7% | 69.2 ? 24% | 61.9 ? 11% |
(+) Den maximala temperaturen på ovansidan är 33.8 °C / 93 F, jämfört med genomsnittet av 35.2 °C / 95 F , allt från 21.9 till 247 °C för klassen Smartphone.
(+) Botten värms upp till maximalt 31.1 °C / 88 F, jämfört med genomsnittet av 34 °C / 93 F
(+) Vid tomgångsbruk är medeltemperaturen för ovansidan 25.7 °C / 78 F, jämfört med enhetsgenomsnittet på 32.9 °C / ### class_avg_f### F.
Samsung Galaxy Note20 Ultra ljudanalys
(+) | högtalare kan spela relativt högt (88.8 dB)
Bas 100 - 315 Hz
(-) | nästan ingen bas - i genomsnitt 22.2% lägre än medianen
(±) | linjäriteten för basen är genomsnittlig (10.7% delta till föregående frekvens)
Mellan 400 - 2000 Hz
(+) | balanserad mellan - endast 4.5% från medianen
(+) | mids är linjära (3% delta till föregående frekvens)
Högsta 2 - 16 kHz
(+) | balanserade toppar - endast 3.1% från medianen
(+) | toppar är linjära (1.7% delta till föregående frekvens)
Totalt 100 - 16 000 Hz
(+) | det totala ljudet är linjärt (14.7% skillnad mot median)
Jämfört med samma klass
» 2% av alla testade enheter i den här klassen var bättre, 2% liknande, 96% sämre
» Den bästa hade ett delta på 11%, genomsnittet var 35%, sämst var 134%
Jämfört med alla testade enheter
» 18% av alla testade enheter var bättre, 4% liknande, 77% sämre
» Den bästa hade ett delta på 4%, genomsnittet var 24%, sämst var 134%
Apple iPhone 11 Pro Max ljudanalys
(+) | högtalare kan spela relativt högt (85.8 dB)
Bas 100 - 315 Hz
(-) | nästan ingen bas - i genomsnitt 15.4% lägre än medianen
(±) | linjäriteten för basen är genomsnittlig (10.3% delta till föregående frekvens)
Mellan 400 - 2000 Hz
(±) | högre mellan - i genomsnitt 5.7% högre än median
(+) | mids är linjära (5.9% delta till föregående frekvens)
Högsta 2 - 16 kHz
(±) | högre toppar - i genomsnitt 8.8% högre än medianen
(+) | toppar är linjära (3.5% delta till föregående frekvens)
Totalt 100 - 16 000 Hz
(±) | linjäriteten för det totala ljudet är genomsnittlig (19.4% skillnad mot median)
Jämfört med samma klass
» 27% av alla testade enheter i den här klassen var bättre, 8% liknande, 65% sämre
» Den bästa hade ett delta på 11%, genomsnittet var 35%, sämst var 134%
Jämfört med alla testade enheter
» 47% av alla testade enheter var bättre, 7% liknande, 46% sämre
» Den bästa hade ett delta på 4%, genomsnittet var 24%, sämst var 134%
| Av/Standby | |
| Låg belastning | |
| Hög belastning |
|
Förklaring:
min: | |
| Samsung Galaxy Note20 Ultra 4500 mAh | Samsung Galaxy Note10+ 4300 mAh | Huawei Mate 30 Pro 4500 mAh | Xiaomi Mi 10 Pro 4500 mAh | Apple iPhone 11 Pro Max 3969 mAh | Genomsnitt Samsung Exynos 990 | Genomsnitt av klass Smartphone | |
|---|---|---|---|---|---|---|---|
| Power Consumption | -31% | -13% | 9% | -49% | -22% | -25% | |
| Idle Minimum * (Watt) | 0.65 | 0.7 -8% | 0.87 -34% | 0.61 6% | 0.92 -42% | 0.846 ? -30% | 0.848 ? -30% |
| Idle Average * (Watt) | 1.06 | 1.81 -71% | 1.75 -65% | 1.19 -12% | 2.9 -174% | 1.534 ? -45% | 1.434 ? -35% |
| Idle Maximum * (Watt) | 1.49 | 1.92 -29% | 1.83 -23% | 1.23 17% | 2.94 -97% | 1.858 ? -25% | 1.618 ? -9% |
| Load Average * (Watt) | 4.91 | 7.57 -54% | 3.85 22% | 4.18 15% | 3.65 26% | 5.14 ? -5% | 7.01 ? -43% |
| Load Maximum * (Watt) | 10.29 | 9.34 9% | 6.64 35% | 8.53 17% | 6.18 40% | 10.7 ? -4% | 11.3 ? -10% |
* ... mindre är bättre
| Samsung Galaxy Note20 Ultra 4500 mAh | Samsung Galaxy Note10+ 4300 mAh | Huawei Mate 30 Pro 4500 mAh | Xiaomi Mi 10 Pro 4500 mAh | Apple iPhone 11 Pro Max 3969 mAh | |
|---|---|---|---|---|---|
| Batteridrifttid | -1% | 20% | 17% | 53% | |
| Reader / Idle (h) | 20.4 | 26.4 29% | 36.2 77% | 35.6 75% | 43.6 114% |
| H.264 (h) | 16.6 | 15.6 -6% | 18.3 10% | 16.2 -2% | 22.4 35% |
| WiFi v1.3 (h) | 10.7 | 8.9 -17% | 13.7 28% | 14.4 35% | 15.2 42% |
| Load (h) | 5.6 | 5.1 -9% | 3.7 -34% | 3.3 -41% | 6.8 21% |
För
Emot
Omdöme - Ett svårt val
Läs den fullständiga versionen av den här recensionen på engelska här.
Vid skrivande stund är Samsung Galaxy Note20 Ultra en av de bästa smarta telefonerna som går att få tag på. Den utmärker sig i vårt test med en riktigt ljusstark AMOLED-skärm, ett snabbt system, en bra och mångsidig kamera, behagliga högtalare samt en tjusig design. Dessutom har vi S Pen, en väldigt mogen produkt med många utmärkta funktioner.
Samsung Galaxy Note20 Ultra är ett riktigt komplett paket och tre års utlovade uppdateringar garanterar ett långt liv.
Det är bara om man tittar närmare på detaljerna som några mindre irritationsmoment uppenbarar sig. Dessa inkluderar först och främst dilemmat med de olika chippen, vilket lämnar en dålig smak i munnen. Inte nog med att prestandan är sämre med en Exynos SoC; den är dessutom mindre energieffektiv och 5G-funktionaliteten får brottas med att den saknar stöd för mmWave. Skärmen kunde också varit bättre kalibrerad; även om detta knappt går att märka med blotta ögat hindrar det skärmen från att få ett bättre betyg. Vidare hade vi väntat oss att skärmens 120 Hz-läge skulle fungera även i QHD+ upplösning på en såpass lyxig produkt.
Gillar man Note finns det egentligen ingen väg runt Galaxy Note20 Ultra, men det finns inte mycket anledning att byta från förra årets modell för en del saker har Samsung inte förbättrat överhuvudtaget. Har man inget problem med det höga priset får man dock en utmärkt smartphone.
Samsung Galaxy Note20 Ultra
- 08/31/2022 v7 (old)
Daniel Schmidt






















