Utlåtande Samsung Galaxy A17 4G
Du kan knappast få en smartphone med en AMOLED-skärm billigare än Samsung Galaxy A17 4G: Du betalar mindre än 200 euro för telefonen. Men du måste också klara dig utan 5G-kapacitet och nöja dig med 4 GB RAM, åtminstone för grundmodellen. Batteritiden är också ganska medioker.
Du kommer inte att vilja köra alltför komplexa appar på den relativt långsamma SoC. Ändå går de flesta vardagliga uppgifter smidigt.
Det flexibla kamerasystemet med vidvinkel- och makrokamera är också ovanligt, även om de har en mycket låg upplösning.
Du får leva med PWM-flimmer på skärmen och bör inte ställa för höga krav på Wi-Fi-hastigheten.
Sammantaget är dock Samsung Galaxy A17 4G en ovanligt välutrustad budget-smartphone som definitivt är värd att titta på.
För
Emot
Pris och tillgänglighet
På amazon.com betalar du cirka 230 US-dollar för smarttelefonen.
Innehållsförteckning
- Utlåtande Samsung Galaxy A17 4G
- Specifikationer
- Hölje och funktioner - plast och Gorilla Glass
- Kommunikation och drift - LTE-telefon med fingeravtryckssensor
- Mjukvara och hållbarhet - 6 år av uppdateringar?
- Kameror - Ovanligt flexibla
- Skärm - Ljusstark 90 Hz AMOLED
- Prestanda, utsläpp och batteritid - rimligt snabb
- Notebookcheck övergripande betyg
- Möjliga alternativ i jämförelse
Specifikationer
Topp 10...
» Topp 10: Bästa bärbara allround/multimediadatorerna
» Topp 10: Bästa bärbara speldatorerna
» Topp 10: Bärbara budget/kontorsdatorer
» Topp 10: Bästa bärbara kontors/premiumdatorerna
» Topp 10: Bärbara arbetsstationer
» Topp 10: De bästa små/kompakta bärbara datorerna
» Topp 10: Bästa ultrabooks
» Topp 10: Bästa hybriddatorerna
» Topp 10: Bästa surfplattorna
» Topp 10: Marknadens bästa smartphones
Hölje och funktioner - plast och Gorilla Glass
Chassit på Samsung Galaxy A17 4G har fått en ny design, bantats ner och blivit 10 gram lättare än sin föregångare.
Hela höljet är tillverkat av plast, men ser robust ut och har en ren finish. Baksidan reflekterar något det omgivande ljuset, men den övergripande designen är ganska enkel. Kamerorna är kombinerade i en oval modul. Skärmen är skyddad av Gorilla Glass Victus, en sällsynthet i denna prisklass.
Vår testenhet levereras med 4 GB RAM och 128 GB masslagring. Det finns också en modell med 8 GB RAM och 256 GB masslagring, prisskillnaden är cirka 30 euro.
Vi gillar det faktum att NFC är tillgängligt, till exempel för mobila betaltjänster.
En eSIM kan inte användas, men två nano-SIM-kortplatser finns tillgängliga. En av dem kan också användas för ett microSD-kort, som utökar minnet med upp till 2 TB. I vårt test fungerade läsaren ganska snabbt och med ganska stabila överföringshastigheter.
| SD Card Reader - average JPG Copy Test (av. of 3 runs) | |
| Samsung Galaxy A17 5G (Angelbird V60) | |
| Samsung Galaxy A16 4G (Angelbird V60) | |
| Samsung Galaxy A17 4G | |
| Xiaomi Redmi 15C 5G (Angelbird V60) | |
| Genomsnitt av klass Smartphone (5.72 - 58.9, n=69, senaste 2 åren) | |
| Motorola Moto G15 (Angelbird V60) | |
Cross Platform Disk Test (CPDT)
Kommunikation och drift - LTE-telefon med fingeravtryckssensor
Du måste klara dig utan 5G-mobilkommunikation och det finns inte heller så många frekvensband tillgängliga i LTE-nätet.
Mottagningen är inte alltid optimal i olika stickprovskontroller under vårt test, men misslyckas sällan helt.
I Wi-Fi kan telefonen som mest bara använda WiFi 5-standarden. Detta innebär att datahastigheter på cirka 300 MBit/s uppnås ganska stabilt.
Skärmen kan visa upp till 90 bilder per sekund och reagerar därför ganska snabbt på inmatningar. Pekskärmen kan manövreras med hög precision.
En fingeravtryckssensor är integrerad i standby-knappen på höger sida av höljet, vilket låser upp telefonen på ett tillförlitligt sätt och med kort väntetid. Biometrisk upplåsning via ansiktsigenkänning är också möjlig. Det fungerar också ganska snabbt och exakt i bra omgivande ljus.
| Networking | |
| Samsung Galaxy A17 4G | |
| iperf3 transmit AXE11000 | |
| iperf3 receive AXE11000 | |
| Samsung Galaxy A17 5G | |
| iperf3 transmit AXE11000 | |
| iperf3 receive AXE11000 | |
| Xiaomi Redmi 15C 5G | |
| iperf3 transmit AXE11000 | |
| iperf3 receive AXE11000 | |
| Samsung Galaxy A16 4G | |
| iperf3 transmit AXE11000 | |
| iperf3 receive AXE11000 | |
| Motorola Moto G15 | |
| iperf3 transmit AXE11000 | |
| iperf3 receive AXE11000 | |
| Genomsnitt 802.11 a/b/g/n/ac | |
| iperf3 transmit AXE11000 | |
| iperf3 receive AXE11000 | |
| Genomsnitt av klass Smartphone | |
| iperf3 transmit AXE11000 | |
| iperf3 receive AXE11000 | |
Mjukvara och hållbarhet - 6 år av uppdateringar?
Android 15 är förinstallerat på enheten, med Samsungs OneUI ovanpå, vilket förändrar operativsystemet ganska avsevärt.
Galaxy A17 4G kommer att få uppdateringar fram till 2031, dvs. i sex år från lanseringen, och nya versioner av operativsystemet kommer att finnas tillgängliga under denna period. Samsung begränsar dock detta på sin webbplats med tillägget "upp till" och andra juridiska klausuler. Så du kan inte helt lita på detta stora löfte.
Galaxy A17 4G är förpackad i papper. Återvunnet material utgör endast 1,4 % av produkten. Det finns åtminstone en självreparationsdatabas där Samsung erbjuder reservdelar.
Kameror - Ovanligt flexibla
Inget har förändrats i kamerorna jämfört med Galaxy A16 4G, men den var redan mycket välutrustad: Förutom huvudkameran på 50 megapixel finns det också en vidvinkellins och en makrolins. Båda har en låg upplösning, men kamerasystemet är fortfarande ganska flexibelt.
Huvudkameran tar acceptabla bilder som visar svala färger. Detaljerna är inte alltid så lätta att känna igen. Den omgivande bilden framstår också som något oskarp på sina ställen. I svagt ljus och starka kontraster är ljusstyrkan ganska bra och man kan fortfarande urskilja detaljer i de flesta områden.
Videor kan spelas in med maximalt 1080p och 30 bilder per sekund. Detaljrikedomen är hyfsad, men autofokusen är ibland för långsam.
Bilden från vidvinkelkameran ser ganska grov ut. Den främre kameran tar hyfsade selfies med en bra detaljnivå.
Bildjämförelse
Välj en scen och navigera inom den första bilden. Ett klick ändrar positionen på pekskärmar. Ett klick på den inzoomade bilden öppnar originalet i ett nytt fönster. Den första bilden visar det skalade fotografiet av testanordningen.
Hauptkamera PflanzeHauptkamera UmgebungHauptkamera LowLightWeitwinkel

Skärm - Ljusstark 90 Hz AMOLED
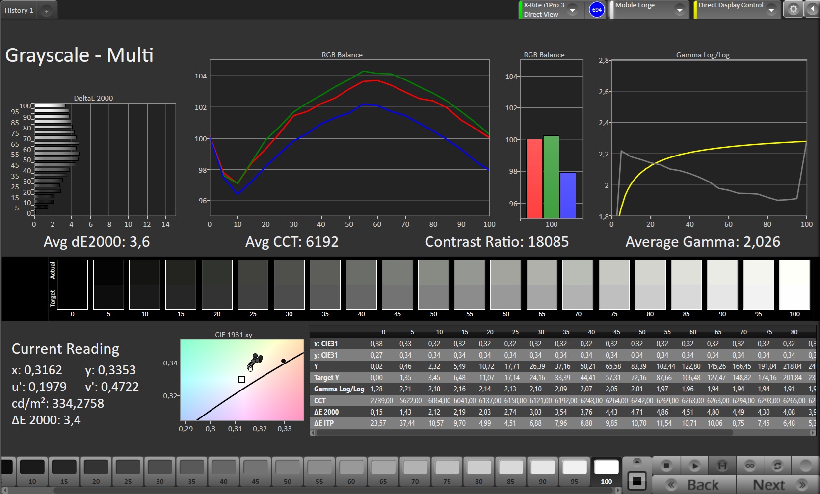
AMOLED-skärmen på Galaxy A17 är en sällsynthet i prisklassen under 200 euro. Skärmen är ganska ljusstark med upp till 687 cd/m².
Färgåtergivningen är också tilltalande med endast små avvikelser som knappt är synliga för blotta ögat.
Bilden ser ganska skarp ut och färgerna är levande.
Du måste dock också acceptera PWM-flimmer vid låga ljusstyrkenivåer.
| |||||||||||||||||||||||||
Distribution av ljusstyrkan: 93 %
Mitt på batteriet: 687 cd/m²
Kontrast: ∞:1 (Svärta: 0 cd/m²)
ΔE ColorChecker Calman: 3.45 | ∀{0.5-29.43 Ø4.78}
ΔE Greyscale Calman: 3.6 | ∀{0.09-98 Ø5}
99.8% sRGB (Calman 2D)
Gamma: 2.026
CCT: 6192 K
| Samsung Galaxy A17 4G AMOLED, 2340x1080, 6.7" | Samsung Galaxy A17 5G AMOLED, 2340x1080, 6.7" | Xiaomi Redmi 15C 5G IPS, 1600x720, 6.9" | Samsung Galaxy A16 4G Super AMOLED, 2340x1080, 6.7" | Motorola Moto G15 IPS, 2400x1080, 6.7" | |
|---|---|---|---|---|---|
| Screen | 5% | 1% | 8% | 5% | |
| Brightness middle (cd/m²) | 687 | 691 1% | 591 -14% | 729 6% | 468 -32% |
| Brightness (cd/m²) | 666 | 672 1% | 557 -16% | 716 8% | 452 -32% |
| Brightness Distribution (%) | 93 | 92 -1% | 91 -2% | 95 2% | 86 -8% |
| Black Level * (cd/m²) | 0.51 | 0.3 | |||
| Colorchecker dE 2000 * | 3.45 | 3.15 9% | 3.25 6% | 3.14 9% | 2.07 40% |
| Colorchecker dE 2000 max. * | 5.49 | 4.41 20% | 6.77 -23% | 4.24 23% | 6.38 -16% |
| Greyscale dE 2000 * | 3.6 | 3.6 -0% | 1.6 56% | 3.6 -0% | 0.8 78% |
| Gamma | 2.026 109% | 2.041 108% | 2.299 96% | 2.057 107% | 2.202 100% |
| CCT | 6192 105% | 6507 100% | 6967 93% | 6441 101% | 6607 98% |
| Contrast (:1) | 1159 | 1560 |
* ... mindre är bättre
Skärmflimmer / PWM (Puls-Width Modulation)
| Skärmflimmer / PWM upptäckt | 367 Hz Amplitude: 16 % | ||
Displayens bakgrundsbelysning flimrar vid 367 Hz (i värsta fall, t.ex. med PWM) . Frekvensen för 367 Hz är relativt hög, så de flesta användare som är känsliga för PWM bör inte märka något flimmer. Det finns dock rapporter om att vissa användare fortfarande är känsliga för PWM vid 500 Hz och högre, så var uppmärksam. Som jämförelse: 53 % av alla testade enheter använder inte PWM för att dämpa skärmen. Om PWM upptäcktes mättes ett medelvärde av 8125 (minst: 5 - maximum: 343500) Hz. | |||
Visa svarstider
| ↔ Svarstid svart till vitt | ||
|---|---|---|
| 2.5 ms ... stiga ↗ och falla ↘ kombinerat | ↗ 1.2 ms stiga | |
| ↘ 1.3 ms hösten | ||
| Skärmen visar väldigt snabba svarsfrekvenser i våra tester och borde vara mycket väl lämpad för fartfyllt spel. I jämförelse sträcker sig alla testade enheter från 0.1 (minst) till 240 (maximalt) ms. » 12 % av alla enheter är bättre. Det betyder att den uppmätta svarstiden är bättre än genomsnittet av alla testade enheter (20.2 ms). | ||
| ↔ Svarstid 50 % grått till 80 % grått | ||
| 2 ms ... stiga ↗ och falla ↘ kombinerat | ↗ 1 ms stiga | |
| ↘ 1 ms hösten | ||
| Skärmen visar väldigt snabba svarsfrekvenser i våra tester och borde vara mycket väl lämpad för fartfyllt spel. I jämförelse sträcker sig alla testade enheter från 0.165 (minst) till 636 (maximalt) ms. » 8 % av alla enheter är bättre. Det betyder att den uppmätta svarstiden är bättre än genomsnittet av alla testade enheter (31.6 ms). | ||
Prestanda, utsläpp och batteritid - rimligt snabb
Den nya MediaTek Helio G99 är en mycket populär SoC i den här priskategorin. Den ger vanligtvis smidig drift, men väntetider kan uppstå i mer krävande situationer.
Prestandan ligger betydligt under 5G-modellen av Galaxy A17, men i övrigt i nivå med modeller med liknande pris. UFS 2.2-minnet arbetar ganska snabbt, men är faktiskt långsammare än i föregångaren, vilket bara kan förklaras av en annan minneskontroller eller mjukvarustrypning.
Telefonen värms upp till maximalt 44,4 °C under långvarig belastning, vilket är märkbart men inte kritiskt. Telefonen stryps också minimalt i bästa fall efter långa användningsperioder.
Den enda högtalaren i underkanten låter bättre än sin föregångare, fortfarande bra vid maximal volym och inte längre lika diskanttung. Så du kan definitivt lyssna på popmusik eller filmljudspår. USB- eller Bluetooth-anslutningar finns tillgängliga för externa ljudenheter. Det finns dock relativt få ljudcodecs för trådlös överföring.
Batteriet på 5.000 mAh är detsamma som i Galaxy A16 4G och driftstiderna skiljer sig bara lite åt. Samsung Galaxy A17 4G håller i cirka 13 timmar i vårt WiFi-batteritest, vilket avslöjar en av dess svagheter jämfört med andra telefoner.
| Samsung Galaxy A17 4G | Samsung Galaxy A17 5G | Xiaomi Redmi 15C 5G | Samsung Galaxy A16 4G | Motorola Moto G15 | Genomsnitt 128 GB eMMC Flash | Genomsnitt av klass Smartphone | |
|---|---|---|---|---|---|---|---|
| AndroBench 3-5 | -1% | 181% | 179% | -3% | -16% | 474% | |
| Sequential Read 256KB (MB/s) | 518.6 | 528.2 2% | 509.9 -2% | 942.8 82% | 287.7 -45% | 300 ? -42% | 2227 ? 329% |
| Sequential Write 256KB (MB/s) | 172.6 | 170.7 -1% | 512.1 197% | 710.8 312% | 228.5 32% | 195.1 ? 13% | 1836 ? 964% |
| Random Read 4KB (MB/s) | 141.1 | 134.7 -5% | 196.3 39% | 208.8 48% | 65.2 -54% | 85.9 ? -39% | 294 ? 108% |
| Random Write 4KB (MB/s) | 55.9 | 56.4 1% | 329 489% | 208.1 272% | 87.4 56% | 58.1 ? 4% | 332 ? 494% |
(±) Den maximala temperaturen på ovansidan är 44.4 °C / 112 F, jämfört med genomsnittet av 35.2 °C / 95 F , allt från 21.9 till 247 °C för klassen Smartphone.
(±) Botten värms upp till maximalt 44.9 °C / 113 F, jämfört med genomsnittet av 34 °C / 93 F
(+) Vid tomgångsbruk är medeltemperaturen för ovansidan 25.3 °C / 78 F, jämfört med enhetsgenomsnittet på 32.9 °C / ### class_avg_f### F.
3DMark stresstest
| 3DMark | |
| Wild Life Stress Test Stability | |
| Samsung Galaxy A17 4G | |
| Motorola Moto G15 | |
| Samsung Galaxy A17 5G | |
| Xiaomi Redmi 15C 5G | |
| Samsung Galaxy A16 4G | |
| Wild Life Extreme Stress Test | |
| Motorola Moto G15 | |
| Xiaomi Redmi 15C 5G | |
| Samsung Galaxy A17 4G | |
| Samsung Galaxy A16 4G | |
| Samsung Galaxy A17 5G | |
Samsung Galaxy A17 4G ljudanalys
(+) | högtalare kan spela relativt högt (89 dB)
Bas 100 - 315 Hz
(-) | nästan ingen bas - i genomsnitt 24% lägre än medianen
(±) | linjäriteten för basen är genomsnittlig (12.9% delta till föregående frekvens)
Mellan 400 - 2000 Hz
(±) | högre mellan - i genomsnitt 6.1% högre än median
(+) | mids är linjära (5.3% delta till föregående frekvens)
Högsta 2 - 16 kHz
(±) | högre toppar - i genomsnitt 6.5% högre än medianen
(±) | linjäriteten för toppar är genomsnittlig (9% delta till föregående frekvens)
Totalt 100 - 16 000 Hz
(±) | linjäriteten för det totala ljudet är genomsnittlig (21.9% skillnad mot median)
Jämfört med samma klass
» 44% av alla testade enheter i den här klassen var bättre, 8% liknande, 48% sämre
» Den bästa hade ett delta på 11%, genomsnittet var 35%, sämst var 134%
Jämfört med alla testade enheter
» 62% av alla testade enheter var bättre, 7% liknande, 31% sämre
» Den bästa hade ett delta på 4%, genomsnittet var 24%, sämst var 134%
Motorola Moto G15 ljudanalys
(+) | högtalare kan spela relativt högt (84.3 dB)
Bas 100 - 315 Hz
(-) | nästan ingen bas - i genomsnitt 23.7% lägre än medianen
(±) | linjäriteten för basen är genomsnittlig (11.9% delta till föregående frekvens)
Mellan 400 - 2000 Hz
(±) | högre mellan - i genomsnitt 5.3% högre än median
(+) | mids är linjära (5.8% delta till föregående frekvens)
Högsta 2 - 16 kHz
(+) | balanserade toppar - endast 3.3% från medianen
(+) | toppar är linjära (5.9% delta till föregående frekvens)
Totalt 100 - 16 000 Hz
(±) | linjäriteten för det totala ljudet är genomsnittlig (19.9% skillnad mot median)
Jämfört med samma klass
» 32% av alla testade enheter i den här klassen var bättre, 8% liknande, 61% sämre
» Den bästa hade ett delta på 11%, genomsnittet var 35%, sämst var 134%
Jämfört med alla testade enheter
» 50% av alla testade enheter var bättre, 7% liknande, 43% sämre
» Den bästa hade ett delta på 4%, genomsnittet var 24%, sämst var 134%
| Samsung Galaxy A17 4G 5000 mAh | Samsung Galaxy A17 5G 5000 mAh | Xiaomi Redmi 15C 5G 6000 mAh | Samsung Galaxy A16 4G 5000 mAh | Motorola Moto G15 5200 mAh | |
|---|---|---|---|---|---|
| Batteridrifttid | 2% | 43% | 16% | 31% | |
| WiFi v1.3 (h) | 13 | 13.2 2% | 18.6 43% | 15.1 16% | 17 31% |
| Reader / Idle (h) | 33.7 | 27.2 | 29.8 | ||
| H.264 (h) | 17.9 | 23.7 | 19.8 | ||
| Load (h) | 4.5 | 5.8 | 5.5 |
Notebookcheck övergripande betyg
Samsung Galaxy A17 4G är mycket välutrustad för sin prisklass.
De enda svaga punkterna är körtiderna och det skakiga uppdateringslöftet.

Samsung Galaxy A17 4G
- 10/24/2025 v8
Florian Schmitt
Möjliga alternativ i jämförelse
Bild | Modell / recensioner | Pris | Vikt | Enheten | Skärm |
|---|---|---|---|---|---|
| Samsung Galaxy A17 4G Mediatek Helio G99 ⎘ ARM Mali-G57 MP2 ⎘ 4 GB Minne, 128 GB eMMC | Amazon: $204.99 Listpris: 185€ | 190 g | 128 GB eMMC Flash | 6.70" 2340x1080 385 PPI AMOLED | |
| Samsung Galaxy A17 5G Samsung Exynos 1330 ⎘ ARM Mali-G68 MP2 ⎘ 4 GB Minne, 128 GB eMMC | Amazon: $214.30 Listpris: 209€ | 192 g | 128 GB eMMC Flash | 6.70" 2340x1080 385 PPI AMOLED | |
| Xiaomi Redmi 15C 5G Mediatek Dimensity 6300 ⎘ ARM Mali-G57 MP2 ⎘ 4 GB Minne, 128 GB UFS 2.1 | Amazon: 1. $7.99 Suttkue for Xiaomi Redmi 15C... 2. $3.59 Mr.Shield Screen Protector c... 3. $8.57 GANGANPRO 2 Pack Privacy Scr... Listpris: 170€ | 211 g | 128 GB UFS 2.2 Flash | 6.90" 1600x720 254 PPI IPS | |
| Samsung Galaxy A16 4G Mediatek Helio G99 ⎘ ARM Mali-G57 MP2 ⎘ 4 GB Minne, 128 GB UFS 2.1 | Amazon: $125.67 Listpris: 179€ | 200 g | 128 GB UFS 2.2 Flash | 6.70" 2340x1080 385 PPI Super AMOLED | |
| Motorola Moto G15 Mediatek Helio G81 ⎘ ARM Mali-G52 MP2 ⎘ 4 GB Minne, 128 GB eMMC | Amazon: $133.70 Listpris: 150€ | 190 g | 128 GB eMMC Flash | 6.72" 2400x1080 392 PPI IPS |
Genomskinlighet
Valet av enheter som ska granskas görs av vår redaktion. Testprovet gavs till författaren som ett lån av tillverkaren eller återförsäljaren för denna recension. Långivaren hade inget inflytande på denna recension och inte heller fick tillverkaren en kopia av denna recension innan publiceringen. Det fanns ingen skyldighet att publicera denna recension. Som ett oberoende medieföretag är Notebookcheck inte föremål för auktoritet från tillverkare, återförsäljare eller förlag.
This is how Notebookcheck is testingEvery year, Notebookcheck independently reviews hundreds of laptops and smartphones using standardized procedures to ensure that all results are comparable. We have continuously developed our test methods for around 20 years and set industry standards in the process. In our test labs, high-quality measuring equipment is utilized by experienced technicians and editors. These tests involve a multi-stage validation process. Our complex rating system is based on hundreds of well-founded measurements and benchmarks, which maintains objectivity.























