Huawei MateBook 14 (2024) bärbar dator med en 3:2-skärm recension - Släppt ner av några mindre problem

Bärbara datorer tillhör de få produkter som fortfarande säljs framgångsrikt över hela världen av Huawei trots sanktionerna i USA. Den senaste MateBook 14 kan dock mycket väl vara den sista i sitt slag eftersom Intel, efter AMD, inte längre får sälja några processorer till tillverkaren. Ytterligare en anledning att ta en närmare titt på den bärbara datorn är - förutom den iögonfallande gröna färgen - dess ovanliga bildförhållande: Matebook 14 är en av de få bärbara datorer som har ett bildförhållande på 3:2. Det innebär att den erbjuder en stor skärmyta i förhållande till sin lilla storlek.
Konkurrenterna till denna enhet kommer från det bredaste urvalet av tillverkare: Samsung, Lenovo, Acer och HP erbjuder alla 14-tums bärbara datorer i ett aluminiumhölje med högupplösta skärmar och den kraftfulla Intel Core Ultra 7 155H. I sin tur är Galaxy Book4 Pro, Yoga 9 och HP Pavilion Plus har alla en stor skillnad jämfört med Huawei-bärbara datorn. De förlitar sig alla på ett bildförhållande på 16:10.
Potentiella konkurrenter i jämförelse
Gradering | Datum | Modell | Vikt | Höjd | Storlek | Upplösning | Pris |
|---|---|---|---|---|---|---|---|
| 83.5 % | 06/2024 | Huawei MateBook 14 FLMH-W7611T Ultra 7 155H, Arc 8-Core | 1.3 kg | 17.08 mm | 14.20" | 2880x1920 | |
| 87.4 % v7 (old) | 04/2024 | Samsung Galaxy Book4 Pro 14 Ultra 7 155H, Arc 8-Core | 1.2 kg | 11.6 mm | 14.00" | 2880x1800 | |
| 90.5 % v7 (old) | 04/2024 | Lenovo Yoga 9 2-in-1 14IMH9 Ultra 7 155H, Arc 8-Core | 1.3 kg | 15.9 mm | 14.00" | 2880x1800 | |
v (old) | 12/2023 | Acer Swift Go 14 SFG14-72 Ultra 7 155H, Arc 8-Core | 1.3 kg | 14.9 mm | 14.00" | 2880x1800 | |
| 90.4 % v7 (old) | 12/2023 | Lenovo ThinkPad T14 G4 21K4S02000 R7 PRO 7840U, Radeon 780M | 1.5 kg | 17.9 mm | 14.00" | 1920x1200 | |
| 87.8 % v7 (old) | 11/2023 | HP Pavilion Plus 14-ey0095cl R7 7840U, Radeon 780M | 1.4 kg | 18.8 mm | 14.00" | 2880x1800 |
Topp 10...
» Topp 10: Bästa bärbara allround/multimediadatorerna
» Topp 10: Bästa bärbara speldatorerna
» Topp 10: Bärbara budget/kontorsdatorer
» Topp 10: Bästa bärbara kontors/premiumdatorerna
» Topp 10: Bärbara arbetsstationer
» Topp 10: De bästa små/kompakta bärbara datorerna
» Topp 10: Bästa ultrabooks
» Topp 10: Bästa hybriddatorerna
» Topp 10: Bästa surfplattorna
» Topp 10: Marknadens bästa smartphones
Fallet
Det är inte många bärbara datorer som finns i andra färger än vitt, grått och svart nuförtiden. På sin höjd ger RGB-belysning i bärbara speldatorer lite färg i spelet. Huawei har visat mod när det gäller MateBook 14 och släppt den bärbara datorn i en attraktiv grön färg tillsammans med en elegant grå version. Även om färgen inte ser riktigt lika levande ut som på tillverkarens webbplats, fångar Matebook 14 fortfarande ögat.
När det gäller Matebooks byggkvalitet har vi - som vanligt - bara positiva saker att notera. Basen och displaylocket är stabila, gångjärnen är smidiga och mellanrummen är jämna. Den bärbara datorn ser inte bara elegant ut, utan den känns också högkvalitativ. I våra ögon skulle skärmen behöva ha en något större öppningsvinkel. Eftersom det är en pekskärm som dessutom stöder penninmatning skulle det vara bekvämare att kunna placera den platt på skrivbordet. Tyvärr tillåter inte en maximal öppningsvinkel på cirka 150 ° detta.
Trots sitt bildförhållande 3:2 skiljer sig Matebook 14 mycket lite från andra 14-tums bärbara datorer när det gäller storlek och vikt. Med en vikt på 1,3 kg är enheten dock en av de lättare i sin klass.
Anslutningsmöjligheter
I princip har Matebook 14 alla nödvändiga anslutningsmöjligheter, men vi kom ändå till slutsatsen att den kunde ha behövt fler. På höger sida av den bärbara datorn finns den enda USB 3.2 Gen 1-porten. Till vänster finns åtminstone en HDMI-port, en USB-C-anslutning och ett 3,5 mm-uttag.
Den enda USB-C-porten kommer troligen mestadels att användas av laddaren. Thunderbolt stöds tydligen inte.
Kommunikation
WLAN och Bluetooth är möjligt på Matebook 14 tack vare en lödd Intel AX201. Detta innebär att dess möjliga anslutningstyper slutar vid 5 GHz. Även om den bärbara datorns överföringshastigheter fortfarande är respektabla utan Wi-Fi 6E, är de inte på något sätt uppdaterade.
Webbkamera
Den bärbara datorns Full HD-webbkamera kan ge en bra bild, men den är tydligt komprimerad. Som ett resultat är små detaljer svåra att känna igen i webbkamerans foton. Vi drog slutsatsen att detta beror på fel i komprimeringen och överföringen av bildmaterialet, främst från de bilder som tagits med vårt testkort för kameror och objektiv. Tydliga artefakter överlagras på bildmaterialet i vissa bilder, medan andra knappt visar någon störning och därför en skarp bild. Detta problem bör knappast märkas i den dagliga användningen. Det är först vid en närmare granskning som det blir tydligt att något har tvättats bort i vår selfie. Vid övergången mellan den blå T-shirt-kragen och halsen har komprimeringen orsakat en suddig bild på två ställen.

Säkerhet
En fingeravtrycksläsare installerad i strömknappen på Matebook 14 garanterar bekvämlighet och säkerhet när du loggar in på den bärbara datorn. En fTPM 2.0 är också tillgänglig tack vare dess Intel-processor.
Tillbehör
Vår testenhet levereras inte med något mer än en laddare och den typiska samlingen pappersarbete inklusive en snabbstartsguide och garantideklaration. Om du vill kan du också köpa Huawei M-Pencil (3:e generationen) tillsammans med Matebook 14. Förutom pekinmatning tillåter den bärbara datorns skärm även inmatning med en digital penna. Skärmens ogynnsamma maximala öppningsvinkel bör dock också hållas i åtanke här.
Underhåll
Även om det är lätt att göra, är det inte riktigt värt att skruva loss Matebook 14. Du kan inte uppgradera något annat än NVMe SSD. Det enda du kan göra för underhållsändamål är att rengöra fläktarna ibland.
Garanti
Den bärbara datorn omfattas av Huaweis standardgaranti på 12 månader i USA. Detta inkluderar även dess egenutvecklade strömförsörjning. De tidigare nämnda amerikanska sanktionerna kan leda till att reservdelar så småningom blir omöjliga att hitta.
Input devices
Tangentbord
Tangentbordet på Matebook är relativt platt och har inte någon stor tangentlyftning. Det känns inte heller så skönt på grund av sin svampiga tryckpunkt. I marknadsföringstermer kan tangentbordets bakgrundsbelysning beskrivas som lätt för ögonen. Med andra ord är tangenternas bakgrundsbelysning inte särskilt ljusstark. Men den är ändå tillräcklig för att arbeta i mörker.
Pekplatta
Den matta ytan på den 12 x 7,4 cm stora pekplattan känns behaglig att röra vid. Den svarar på inmatningar utan fördröjning. Multi-touch gester känns igen helt av Matebook.
Display
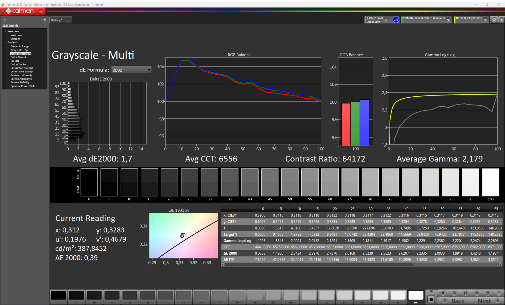
Med ett bildförhållande på 3:2 har skärmen i vårt testexemplar ett ovanligt format bland moderna bärbara datorer. OLED-panelen erbjuder en uppdateringsfrekvens på upp till 120 Hz och en upplösning på 2 880 × 1 920 pixlar. Skärmen har en ljusstyrka på cirka 370 cd/m² och är något rundad i kanterna. Vid första anblicken ser detta trevligt ut, men tyvärr är Windows fortfarande inte optimerat för rundade skärmkanter, vilket resulterar i att vissa bildelement ibland skärs av.
Matebook 14:s OLED-skärm har dessutom stöd för HDR-innehåll. I HDR-läge uppmätte vi upp till 500 cd/m² i mitten av den bärbara datorn. I batteriläge är HDR-läget avstängt.
| |||||||||||||||||||||||||
Distribution av ljusstyrkan: 94 %
Mitt på batteriet: 422 cd/m²
Kontrast: 24867:1 (Svärta: 0.015 cd/m²)
ΔE ColorChecker Calman: 1.47 | ∀{0.5-29.43 Ø4.79}
calibrated: 1.78
ΔE Greyscale Calman: 1.7 | ∀{0.09-98 Ø5}
73.94% AdobeRGB 1998 (Argyll 3D)
99.79% sRGB (Argyll 3D)
72.42% Display P3 (Argyll 3D)
Gamma: 2.179
CCT: 6556 K
| Huawei MateBook 14 FLMH-W7611T EDO0142, OLED, 2880x1920, 14.2" | Samsung Galaxy Book4 Pro 14 ATNA40CU07-0, OLED, 2880x1800, 14" | Lenovo Yoga 9 2-in-1 14IMH9 LEN140WQ+, OLED, 2880x1800, 14" | Acer Swift Go 14 SFG14-72 ATNA40YK11-0, OLED, 2880x1800, 14" | Lenovo ThinkPad T14 G4 21K4S02000 MNE007JA1-1, IPS LED, 1920x1200, 14" | HP Pavilion Plus 14-ey0095cl Samsung SDC4197, OLED, 2880x1800, 14" | |
|---|---|---|---|---|---|---|
| Display | 16% | 23% | 24% | -5% | 23% | |
| Display P3 Coverage (%) | 72.42 | 97 34% | 99.8 38% | 99.75 38% | 67.1 -7% | 99.8 38% |
| sRGB Coverage (%) | 99.79 | 100 0% | 100 0% | 99.99 0% | 97.8 -2% | 100 0% |
| AdobeRGB 1998 Coverage (%) | 73.94 | 85.2 15% | 97.3 32% | 98.56 33% | 69.4 -6% | 95.8 30% |
| Response Times | 93% | 92% | 56% | -232% | 92% | |
| Response Time Grey 50% / Grey 80% * (ms) | 7 ? | 0.83 ? 88% | 0.8 ? 89% | 2.2 ? 69% | 38.4 ? -449% | 0.82 ? 88% |
| Response Time Black / White * (ms) | 22 ? | 0.69 ? 97% | 1 ? 95% | 12.8 ? 42% | 25.1 ? -14% | 0.95 ? 96% |
| PWM Frequency (Hz) | 238 ? | 240 ? | 240.5 ? | 300 | 504.7 ? | |
| PWM Amplitude * (%) | 57 | |||||
| Screen | -6% | -69% | -115% | -165% | -33% | |
| Brightness middle (cd/m²) | 373 | 392 5% | 371.6 0% | 388 4% | 398 7% | 384 3% |
| Brightness (cd/m²) | 377 | 398 6% | 373 -1% | 391 4% | 379 1% | 386 2% |
| Brightness Distribution (%) | 94 | 97 3% | 99 5% | 98 4% | 90 -4% | 98 4% |
| Black Level * (cd/m²) | 0.015 | 0.0411 -174% | 0.23 -1433% | |||
| Contrast (:1) | 24867 | 9440 -62% | 1730 -93% | |||
| Colorchecker dE 2000 * | 1.47 | 1.3 12% | 4.91 -234% | 6.32 -330% | 1.3 12% | 4.06 -176% |
| Colorchecker dE 2000 max. * | 2.49 | 3.2 -29% | 8.33 -235% | 8.82 -254% | 3.1 -24% | 6.73 -170% |
| Colorchecker dE 2000 calibrated * | 1.78 | 1.59 11% | 4.79 -169% | 1.2 33% | 0.49 72% | |
| Greyscale dE 2000 * | 1.7 | 2.3 -35% | 2.2 -29% | 2.61 -54% | 1.4 18% | 1.1 35% |
| Gamma | 2.179 101% | 2.24 98% | 2.25 98% | 1.772 124% | 2.26 97% | 2.26 97% |
| CCT | 6556 99% | 6517 100% | 6120 106% | 6202 105% | 6448 101% | 6331 103% |
| Totalt genomsnitt (program/inställningar) | 34% /
18% | 15% /
-19% | -12% /
-61% | -134% /
-140% | 27% /
2% |
* ... mindre är bättre
Pro-färgläget kan väljas på Matebook via Huaweis kontrollpanel. Enligt våra mätningar har detta läge dock en ganska negativ effekt på noggrannheten i den bärbara datorns färgåtergivning. I slutändan är dess färgåtergivning mycket bra i sitt levererade tillstånd och ett värde på ΔΕ2000 3 uppnåddes aldrig i ColorChecker-testet.
Visa svarstider
| ↔ Svarstid svart till vitt | ||
|---|---|---|
| 22 ms ... stiga ↗ och falla ↘ kombinerat | ↗ 18.5 ms stiga | |
| ↘ 3.5 ms hösten | ||
| Skärmen visar bra svarsfrekvens i våra tester, men kan vara för långsam för konkurrenskraftiga spelare. I jämförelse sträcker sig alla testade enheter från 0.1 (minst) till 240 (maximalt) ms. » 47 % av alla enheter är bättre. Det betyder att den uppmätta svarstiden liknar genomsnittet av alla testade enheter (20.3 ms). | ||
| ↔ Svarstid 50 % grått till 80 % grått | ||
| 7 ms ... stiga ↗ och falla ↘ kombinerat | ↗ 3.5 ms stiga | |
| ↘ 3.5 ms hösten | ||
| Skärmen visar väldigt snabba svarsfrekvenser i våra tester och borde vara mycket väl lämpad för fartfyllt spel. I jämförelse sträcker sig alla testade enheter från 0.165 (minst) till 636 (maximalt) ms. » 18 % av alla enheter är bättre. Det betyder att den uppmätta svarstiden är bättre än genomsnittet av alla testade enheter (31.7 ms). | ||
Skärmflimmer / PWM (Puls-Width Modulation)
| Skärmflimmer / PWM upptäckt | 238 Hz Amplitude: 57 % | ≤ 100 % ljusstyrka inställning | |
Displayens bakgrundsbelysning flimrar vid 238 Hz (i värsta fall, t.ex. med PWM) Flimrande upptäckt vid en ljusstyrkeinställning på 100 % och lägre. Det ska inte finnas något flimmer eller PWM över denna ljusstyrkeinställning. Frekvensen för 238 Hz är relativt låg, så känsliga användare kommer sannolikt att märka flimmer och uppleva ansträngda ögon vid den angivna ljusstyrkeinställningen och nedan. Som jämförelse: 53 % av alla testade enheter använder inte PWM för att dämpa skärmen. Om PWM upptäcktes mättes ett medelvärde av 8167 (minst: 5 - maximum: 343500) Hz. | |||
PWM
Förutom det typiska flimret som uppstår på OLED när skärminnehållet uppdateras, upptäckte vi även flimmer vid låga ljusstyrkor på Matebook. Förutom uppdateringen på 240 Hz finns det också en del flimmer vid cirka 1 kHz.
Prestanda
Du kan få Matebook 14 (2024) med Intel Core Ultra 5 125 H eller Ultra 7 155 H. I grönt har den bärbara datorn Ultra 7 155H, 16 GB RAM och en 1-TB NVMe SSD. Den grå Matebook 14 (2024) säljs för närvarande endast med Core Ultra 5 och en 512-GB SSD.
Testförhållanden
Att kontrollera Matebook 14:s strömförsörjning kan inte göras särskilt mycket. När den är ansluten till elnätet har du tillgång till prestandaläge och balanserat läge. Vid batteridrift kan du dessutom använda dig av ett batterisparläge. Åtminstone i prestandaläget och det balanserade läget ändras inte PL1 och PL2 enligt våra resultat. Den bärbara datorn arbetar med 64 watts boost-effekt och 42 watts kontinuerlig effekt. Det är bara i batterisparläget som den kontinuerliga effekten minskar avsevärt till 20 watt.
Vi observerade skillnaden mellan prestandaläge och balanserat läge mer när vi tittade på den bärbara datorns fläktkontroll och måltemperaturer. Detta innebär att dynamisk omjustering äger rum. I vardaglig drift, när boost-prestandan är mer avgörande, kommer du knappast att märka någon skillnad mellan de två driftlägena.
Processor
Tack vare den höga TDP som Huawei tillåter Intel-processorn, är Core Ultra 7 155H kunna visa sina styrkor i processor benchmarks. I alla flerkärniga benchmarks kom Matebook ut på toppen av jämförelsefältet, medan vår testenhets enkelkärniga prestanda visade sig vara ganska genomsnittlig. Vi noterade inga avvikelser i våra resultat. De 6 P-kärnorna, 8 E-kärnorna och 2 LPE-kärnorna säkerställer respektabel prestanda.
Cinebench R15 Multi continuous test
Cinebench R23: Multi Core | Single Core
Cinebench R20: CPU (Multi Core) | CPU (Single Core)
Cinebench R15: CPU Multi 64Bit | CPU Single 64Bit
Blender: v2.79 BMW27 CPU
7-Zip 18.03: 7z b 4 | 7z b 4 -mmt1
Geekbench 6.5: Multi-Core | Single-Core
Geekbench 5.5: Multi-Core | Single-Core
HWBOT x265 Benchmark v2.2: 4k Preset
LibreOffice : 20 Documents To PDF
R Benchmark 2.5: Overall mean
| CPU Performance rating | |
| Huawei MateBook 14 FLMH-W7611T | |
| Genomsnitt Intel Core Ultra 7 155H | |
| Lenovo Yoga 9 2-in-1 14IMH9 | |
| Acer Swift Go 14 SFG14-72 | |
| Lenovo ThinkPad T14 G4 21K4S02000 | |
| HP Pavilion Plus 14-ey0095cl | |
| Genomsnitt av klass Subnotebook | |
| Samsung Galaxy Book4 Pro 14 | |
| Cinebench R23 / Multi Core | |
| Huawei MateBook 14 FLMH-W7611T | |
| Acer Swift Go 14 SFG14-72 | |
| Genomsnitt Intel Core Ultra 7 155H (9769 - 19007, n=52) | |
| Lenovo Yoga 9 2-in-1 14IMH9 | |
| Lenovo ThinkPad T14 G4 21K4S02000 | |
| Genomsnitt av klass Subnotebook (1555 - 21812, n=77, senaste 2 åren) | |
| HP Pavilion Plus 14-ey0095cl | |
| Samsung Galaxy Book4 Pro 14 | |
| Cinebench R23 / Single Core | |
| Lenovo Yoga 9 2-in-1 14IMH9 | |
| Acer Swift Go 14 SFG14-72 | |
| Lenovo ThinkPad T14 G4 21K4S02000 | |
| Huawei MateBook 14 FLMH-W7611T | |
| Genomsnitt Intel Core Ultra 7 155H (1496 - 1815, n=52) | |
| Genomsnitt av klass Subnotebook (358 - 2165, n=78, senaste 2 åren) | |
| Samsung Galaxy Book4 Pro 14 | |
| HP Pavilion Plus 14-ey0095cl | |
| Cinebench R20 / CPU (Multi Core) | |
| Huawei MateBook 14 FLMH-W7611T | |
| Genomsnitt Intel Core Ultra 7 155H (3798 - 7409, n=50) | |
| Lenovo Yoga 9 2-in-1 14IMH9 | |
| Acer Swift Go 14 SFG14-72 | |
| Lenovo ThinkPad T14 G4 21K4S02000 | |
| Genomsnitt av klass Subnotebook (579 - 8541, n=70, senaste 2 åren) | |
| HP Pavilion Plus 14-ey0095cl | |
| Samsung Galaxy Book4 Pro 14 | |
| Cinebench R20 / CPU (Single Core) | |
| Lenovo ThinkPad T14 G4 21K4S02000 | |
| Lenovo Yoga 9 2-in-1 14IMH9 | |
| Acer Swift Go 14 SFG14-72 | |
| Huawei MateBook 14 FLMH-W7611T | |
| Genomsnitt Intel Core Ultra 7 155H (601 - 696, n=50) | |
| HP Pavilion Plus 14-ey0095cl | |
| Genomsnitt av klass Subnotebook (128 - 826, n=70, senaste 2 åren) | |
| Samsung Galaxy Book4 Pro 14 | |
| Cinebench R15 / CPU Multi 64Bit | |
| Huawei MateBook 14 FLMH-W7611T | |
| Lenovo Yoga 9 2-in-1 14IMH9 | |
| Acer Swift Go 14 SFG14-72 | |
| Genomsnitt Intel Core Ultra 7 155H (1932 - 2880, n=56) | |
| Samsung Galaxy Book4 Pro 14 | |
| Genomsnitt av klass Subnotebook (327 - 3345, n=73, senaste 2 åren) | |
| Lenovo ThinkPad T14 G4 21K4S02000 | |
| HP Pavilion Plus 14-ey0095cl | |
| Cinebench R15 / CPU Single 64Bit | |
| Lenovo ThinkPad T14 G4 21K4S02000 | |
| HP Pavilion Plus 14-ey0095cl | |
| Lenovo Yoga 9 2-in-1 14IMH9 | |
| Genomsnitt av klass Subnotebook (72.4 - 322, n=71, senaste 2 åren) | |
| Acer Swift Go 14 SFG14-72 | |
| Huawei MateBook 14 FLMH-W7611T | |
| Genomsnitt Intel Core Ultra 7 155H (99.6 - 268, n=52) | |
| Samsung Galaxy Book4 Pro 14 | |
| Blender / v2.79 BMW27 CPU | |
| Genomsnitt av klass Subnotebook (159 - 2271, n=73, senaste 2 åren) | |
| Samsung Galaxy Book4 Pro 14 | |
| HP Pavilion Plus 14-ey0095cl | |
| Lenovo ThinkPad T14 G4 21K4S02000 | |
| Lenovo Yoga 9 2-in-1 14IMH9 | |
| Genomsnitt Intel Core Ultra 7 155H (175 - 381, n=47) | |
| Acer Swift Go 14 SFG14-72 | |
| Huawei MateBook 14 FLMH-W7611T | |
| 7-Zip 18.03 / 7z b 4 | |
| Huawei MateBook 14 FLMH-W7611T | |
| Acer Swift Go 14 SFG14-72 | |
| Genomsnitt Intel Core Ultra 7 155H (41739 - 70254, n=50) | |
| Lenovo ThinkPad T14 G4 21K4S02000 | |
| HP Pavilion Plus 14-ey0095cl | |
| Lenovo Yoga 9 2-in-1 14IMH9 | |
| Samsung Galaxy Book4 Pro 14 | |
| Genomsnitt av klass Subnotebook (11668 - 77867, n=70, senaste 2 åren) | |
| 7-Zip 18.03 / 7z b 4 -mmt1 | |
| HP Pavilion Plus 14-ey0095cl | |
| Lenovo ThinkPad T14 G4 21K4S02000 | |
| Genomsnitt av klass Subnotebook (2643 - 6442, n=72, senaste 2 åren) | |
| Lenovo Yoga 9 2-in-1 14IMH9 | |
| Genomsnitt Intel Core Ultra 7 155H (4594 - 5621, n=50) | |
| Huawei MateBook 14 FLMH-W7611T | |
| Acer Swift Go 14 SFG14-72 | |
| Samsung Galaxy Book4 Pro 14 | |
| Geekbench 6.5 / Multi-Core | |
| Lenovo Yoga 9 2-in-1 14IMH9 | |
| Huawei MateBook 14 FLMH-W7611T | |
| Genomsnitt Intel Core Ultra 7 155H (7732 - 13656, n=55) | |
| Acer Swift Go 14 SFG14-72 | |
| Genomsnitt av klass Subnotebook (2244 - 17489, n=82, senaste 2 åren) | |
| Samsung Galaxy Book4 Pro 14 | |
| HP Pavilion Plus 14-ey0095cl | |
| Lenovo ThinkPad T14 G4 21K4S02000 | |
| Geekbench 6.5 / Single-Core | |
| Genomsnitt av klass Subnotebook (960 - 3820, n=76, senaste 2 åren) | |
| HP Pavilion Plus 14-ey0095cl | |
| Lenovo Yoga 9 2-in-1 14IMH9 | |
| Genomsnitt Intel Core Ultra 7 155H (1901 - 2473, n=52) | |
| Huawei MateBook 14 FLMH-W7611T | |
| Acer Swift Go 14 SFG14-72 | |
| Samsung Galaxy Book4 Pro 14 | |
| Lenovo ThinkPad T14 G4 21K4S02000 | |
| Geekbench 5.5 / Multi-Core | |
| Lenovo Yoga 9 2-in-1 14IMH9 | |
| Huawei MateBook 14 FLMH-W7611T | |
| Genomsnitt Intel Core Ultra 7 155H (10017 - 13556, n=52) | |
| Acer Swift Go 14 SFG14-72 | |
| Samsung Galaxy Book4 Pro 14 | |
| Genomsnitt av klass Subnotebook (2557 - 17218, n=66, senaste 2 åren) | |
| Lenovo ThinkPad T14 G4 21K4S02000 | |
| HP Pavilion Plus 14-ey0095cl | |
| Geekbench 5.5 / Single-Core | |
| Lenovo ThinkPad T14 G4 21K4S02000 | |
| Genomsnitt av klass Subnotebook (726 - 2350, n=66, senaste 2 åren) | |
| HP Pavilion Plus 14-ey0095cl | |
| Huawei MateBook 14 FLMH-W7611T | |
| Genomsnitt Intel Core Ultra 7 155H (1462 - 1824, n=52) | |
| Lenovo Yoga 9 2-in-1 14IMH9 | |
| Acer Swift Go 14 SFG14-72 | |
| Samsung Galaxy Book4 Pro 14 | |
| HWBOT x265 Benchmark v2.2 / 4k Preset | |
| Huawei MateBook 14 FLMH-W7611T | |
| Genomsnitt Intel Core Ultra 7 155H (9.93 - 21.2, n=50) | |
| Acer Swift Go 14 SFG14-72 | |
| Lenovo ThinkPad T14 G4 21K4S02000 | |
| HP Pavilion Plus 14-ey0095cl | |
| Lenovo Yoga 9 2-in-1 14IMH9 | |
| Genomsnitt av klass Subnotebook (0.97 - 25.1, n=70, senaste 2 åren) | |
| Samsung Galaxy Book4 Pro 14 | |
| LibreOffice / 20 Documents To PDF | |
| Acer Swift Go 14 SFG14-72 | |
| Genomsnitt av klass Subnotebook (38.5 - 220, n=69, senaste 2 åren) | |
| HP Pavilion Plus 14-ey0095cl | |
| Genomsnitt Intel Core Ultra 7 155H (37.5 - 79.2, n=49) | |
| Lenovo ThinkPad T14 G4 21K4S02000 | |
| Samsung Galaxy Book4 Pro 14 | |
| Lenovo Yoga 9 2-in-1 14IMH9 | |
| Huawei MateBook 14 FLMH-W7611T | |
| R Benchmark 2.5 / Overall mean | |
| Genomsnitt av klass Subnotebook (0.403 - 1.456, n=71, senaste 2 åren) | |
| Samsung Galaxy Book4 Pro 14 | |
| Acer Swift Go 14 SFG14-72 | |
| Genomsnitt Intel Core Ultra 7 155H (0.4457 - 0.53, n=49) | |
| Huawei MateBook 14 FLMH-W7611T | |
| Lenovo Yoga 9 2-in-1 14IMH9 | |
| Lenovo ThinkPad T14 G4 21K4S02000 | |
| HP Pavilion Plus 14-ey0095cl | |
* ... mindre är bättre
AIDA64: FP32 Ray-Trace | FPU Julia | CPU SHA3 | CPU Queen | FPU SinJulia | FPU Mandel | CPU AES | CPU ZLib | FP64 Ray-Trace | CPU PhotoWorxx
| Performance rating | |
| Lenovo ThinkPad T14 G4 21K4S02000 | |
| HP Pavilion Plus 14-ey0095cl | |
| Huawei MateBook 14 FLMH-W7611T | |
| Acer Swift Go 14 SFG14-72 | |
| Genomsnitt Intel Core Ultra 7 155H | |
| Genomsnitt av klass Subnotebook | |
| Lenovo Yoga 9 2-in-1 14IMH9 | |
| Samsung Galaxy Book4 Pro 14 | |
| AIDA64 / FP32 Ray-Trace | |
| Lenovo ThinkPad T14 G4 21K4S02000 | |
| HP Pavilion Plus 14-ey0095cl | |
| Genomsnitt av klass Subnotebook (1135 - 32888, n=69, senaste 2 åren) | |
| Acer Swift Go 14 SFG14-72 | |
| Huawei MateBook 14 FLMH-W7611T | |
| Genomsnitt Intel Core Ultra 7 155H (6670 - 18470, n=50) | |
| Lenovo Yoga 9 2-in-1 14IMH9 | |
| Samsung Galaxy Book4 Pro 14 | |
| AIDA64 / FPU Julia | |
| Lenovo ThinkPad T14 G4 21K4S02000 | |
| HP Pavilion Plus 14-ey0095cl | |
| Acer Swift Go 14 SFG14-72 | |
| Genomsnitt Intel Core Ultra 7 155H (40905 - 93181, n=50) | |
| Huawei MateBook 14 FLMH-W7611T | |
| Genomsnitt av klass Subnotebook (5218 - 123315, n=69, senaste 2 åren) | |
| Lenovo Yoga 9 2-in-1 14IMH9 | |
| Samsung Galaxy Book4 Pro 14 | |
| AIDA64 / CPU SHA3 | |
| Lenovo ThinkPad T14 G4 21K4S02000 | |
| HP Pavilion Plus 14-ey0095cl | |
| Huawei MateBook 14 FLMH-W7611T | |
| Acer Swift Go 14 SFG14-72 | |
| Genomsnitt Intel Core Ultra 7 155H (1940 - 4436, n=50) | |
| Genomsnitt av klass Subnotebook (444 - 5287, n=69, senaste 2 åren) | |
| Lenovo Yoga 9 2-in-1 14IMH9 | |
| Samsung Galaxy Book4 Pro 14 | |
| AIDA64 / CPU Queen | |
| Lenovo ThinkPad T14 G4 21K4S02000 | |
| HP Pavilion Plus 14-ey0095cl | |
| Acer Swift Go 14 SFG14-72 | |
| Lenovo Yoga 9 2-in-1 14IMH9 | |
| Genomsnitt Intel Core Ultra 7 155H (64698 - 94181, n=50) | |
| Huawei MateBook 14 FLMH-W7611T | |
| Samsung Galaxy Book4 Pro 14 | |
| Genomsnitt av klass Subnotebook (10579 - 115682, n=69, senaste 2 åren) | |
| AIDA64 / FPU SinJulia | |
| Lenovo ThinkPad T14 G4 21K4S02000 | |
| HP Pavilion Plus 14-ey0095cl | |
| Acer Swift Go 14 SFG14-72 | |
| Huawei MateBook 14 FLMH-W7611T | |
| Genomsnitt Intel Core Ultra 7 155H (5639 - 10647, n=50) | |
| Lenovo Yoga 9 2-in-1 14IMH9 | |
| Genomsnitt av klass Subnotebook (744 - 18418, n=69, senaste 2 åren) | |
| Samsung Galaxy Book4 Pro 14 | |
| AIDA64 / FPU Mandel | |
| Lenovo ThinkPad T14 G4 21K4S02000 | |
| HP Pavilion Plus 14-ey0095cl | |
| Acer Swift Go 14 SFG14-72 | |
| Genomsnitt Intel Core Ultra 7 155H (18236 - 47685, n=50) | |
| Huawei MateBook 14 FLMH-W7611T | |
| Genomsnitt av klass Subnotebook (3341 - 65433, n=69, senaste 2 åren) | |
| Lenovo Yoga 9 2-in-1 14IMH9 | |
| Samsung Galaxy Book4 Pro 14 | |
| AIDA64 / CPU AES | |
| Lenovo ThinkPad T14 G4 21K4S02000 | |
| Huawei MateBook 14 FLMH-W7611T | |
| Genomsnitt Intel Core Ultra 7 155H (45713 - 152179, n=50) | |
| Acer Swift Go 14 SFG14-72 | |
| Genomsnitt av klass Subnotebook (638 - 161430, n=69, senaste 2 åren) | |
| Lenovo Yoga 9 2-in-1 14IMH9 | |
| HP Pavilion Plus 14-ey0095cl | |
| Samsung Galaxy Book4 Pro 14 | |
| AIDA64 / CPU ZLib | |
| Huawei MateBook 14 FLMH-W7611T | |
| Genomsnitt Intel Core Ultra 7 155H (557 - 1250, n=50) | |
| Acer Swift Go 14 SFG14-72 | |
| Lenovo ThinkPad T14 G4 21K4S02000 | |
| HP Pavilion Plus 14-ey0095cl | |
| Lenovo Yoga 9 2-in-1 14IMH9 | |
| Genomsnitt av klass Subnotebook (164.9 - 1379, n=69, senaste 2 åren) | |
| Samsung Galaxy Book4 Pro 14 | |
| AIDA64 / FP64 Ray-Trace | |
| Lenovo ThinkPad T14 G4 21K4S02000 | |
| HP Pavilion Plus 14-ey0095cl | |
| Genomsnitt av klass Subnotebook (610 - 17495, n=69, senaste 2 åren) | |
| Acer Swift Go 14 SFG14-72 | |
| Genomsnitt Intel Core Ultra 7 155H (3569 - 9802, n=50) | |
| Huawei MateBook 14 FLMH-W7611T | |
| Lenovo Yoga 9 2-in-1 14IMH9 | |
| Samsung Galaxy Book4 Pro 14 | |
| AIDA64 / CPU PhotoWorxx | |
| Lenovo Yoga 9 2-in-1 14IMH9 | |
| Genomsnitt Intel Core Ultra 7 155H (32719 - 54223, n=50) | |
| Acer Swift Go 14 SFG14-72 | |
| Genomsnitt av klass Subnotebook (6569 - 64588, n=69, senaste 2 åren) | |
| Samsung Galaxy Book4 Pro 14 | |
| Huawei MateBook 14 FLMH-W7611T | |
| Lenovo ThinkPad T14 G4 21K4S02000 | |
| HP Pavilion Plus 14-ey0095cl | |
Systemets prestanda
Även om vår testenhet från Huawei har den snabbaste processorn i jämförelsefältet, stöds den inte av det bästa RAM-minnet eller den snabbaste SSD-enheten. Som ett resultat slogs den bärbara datorn av Lenovo Yoga 9 i PCMark 10, om än bara med några få poäng. I slutändan är alla bärbara datorer i jämförelsefältet ganska starka.
CrossMark: Overall | Productivity | Creativity | Responsiveness
WebXPRT 3: Overall
WebXPRT 4: Overall
Mozilla Kraken 1.1: Total
| PCMark 10 / Score | |
| Lenovo Yoga 9 2-in-1 14IMH9 | |
| Huawei MateBook 14 FLMH-W7611T | |
| Lenovo ThinkPad T14 G4 21K4S02000 | |
| Genomsnitt av klass Subnotebook (4920 - 7883, n=57, senaste 2 åren) | |
| Genomsnitt Intel Core Ultra 7 155H, Intel Arc 8-Core iGPU (4809 - 7529, n=34) | |
| Acer Swift Go 14 SFG14-72 | |
| HP Pavilion Plus 14-ey0095cl | |
| Samsung Galaxy Book4 Pro 14 | |
| PCMark 10 / Essentials | |
| Lenovo Yoga 9 2-in-1 14IMH9 | |
| Huawei MateBook 14 FLMH-W7611T | |
| Lenovo ThinkPad T14 G4 21K4S02000 | |
| Samsung Galaxy Book4 Pro 14 | |
| Genomsnitt Intel Core Ultra 7 155H, Intel Arc 8-Core iGPU (7605 - 11289, n=34) | |
| Genomsnitt av klass Subnotebook (8552 - 11406, n=57, senaste 2 åren) | |
| Acer Swift Go 14 SFG14-72 | |
| HP Pavilion Plus 14-ey0095cl | |
| PCMark 10 / Productivity | |
| Lenovo Yoga 9 2-in-1 14IMH9 | |
| Lenovo ThinkPad T14 G4 21K4S02000 | |
| HP Pavilion Plus 14-ey0095cl | |
| Genomsnitt av klass Subnotebook (5435 - 10842, n=57, senaste 2 åren) | |
| Huawei MateBook 14 FLMH-W7611T | |
| Genomsnitt Intel Core Ultra 7 155H, Intel Arc 8-Core iGPU (6042 - 10591, n=34) | |
| Acer Swift Go 14 SFG14-72 | |
| Samsung Galaxy Book4 Pro 14 | |
| PCMark 10 / Digital Content Creation | |
| Huawei MateBook 14 FLMH-W7611T | |
| Lenovo Yoga 9 2-in-1 14IMH9 | |
| Genomsnitt av klass Subnotebook (5722 - 12442, n=57, senaste 2 åren) | |
| Acer Swift Go 14 SFG14-72 | |
| Genomsnitt Intel Core Ultra 7 155H, Intel Arc 8-Core iGPU (4985 - 10709, n=34) | |
| Lenovo ThinkPad T14 G4 21K4S02000 | |
| Samsung Galaxy Book4 Pro 14 | |
| HP Pavilion Plus 14-ey0095cl | |
| CrossMark / Overall | |
| Huawei MateBook 14 FLMH-W7611T | |
| Lenovo ThinkPad T14 G4 21K4S02000 | |
| Genomsnitt Intel Core Ultra 7 155H, Intel Arc 8-Core iGPU (1366 - 1903, n=34) | |
| Samsung Galaxy Book4 Pro 14 | |
| Lenovo Yoga 9 2-in-1 14IMH9 | |
| Genomsnitt av klass Subnotebook (365 - 2038, n=70, senaste 2 åren) | |
| Acer Swift Go 14 SFG14-72 | |
| HP Pavilion Plus 14-ey0095cl | |
| CrossMark / Productivity | |
| Huawei MateBook 14 FLMH-W7611T | |
| Lenovo ThinkPad T14 G4 21K4S02000 | |
| Samsung Galaxy Book4 Pro 14 | |
| Genomsnitt Intel Core Ultra 7 155H, Intel Arc 8-Core iGPU (1291 - 1798, n=33) | |
| Lenovo Yoga 9 2-in-1 14IMH9 | |
| Genomsnitt av klass Subnotebook (364 - 1918, n=70, senaste 2 åren) | |
| HP Pavilion Plus 14-ey0095cl | |
| Acer Swift Go 14 SFG14-72 | |
| CrossMark / Creativity | |
| Huawei MateBook 14 FLMH-W7611T | |
| Lenovo Yoga 9 2-in-1 14IMH9 | |
| Lenovo ThinkPad T14 G4 21K4S02000 | |
| Genomsnitt Intel Core Ultra 7 155H, Intel Arc 8-Core iGPU (1519 - 1929, n=33) | |
| Genomsnitt av klass Subnotebook (372 - 2396, n=70, senaste 2 åren) | |
| Samsung Galaxy Book4 Pro 14 | |
| Acer Swift Go 14 SFG14-72 | |
| HP Pavilion Plus 14-ey0095cl | |
| CrossMark / Responsiveness | |
| Huawei MateBook 14 FLMH-W7611T | |
| Samsung Galaxy Book4 Pro 14 | |
| Genomsnitt Intel Core Ultra 7 155H, Intel Arc 8-Core iGPU (939 - 1802, n=33) | |
| Lenovo ThinkPad T14 G4 21K4S02000 | |
| Acer Swift Go 14 SFG14-72 | |
| Lenovo Yoga 9 2-in-1 14IMH9 | |
| Genomsnitt av klass Subnotebook (312 - 1889, n=70, senaste 2 åren) | |
| HP Pavilion Plus 14-ey0095cl | |
| WebXPRT 3 / Overall | |
| Genomsnitt av klass Subnotebook (156 - 482, n=68, senaste 2 åren) | |
| Lenovo ThinkPad T14 G4 21K4S02000 | |
| HP Pavilion Plus 14-ey0095cl | |
| Acer Swift Go 14 SFG14-72 | |
| Genomsnitt Intel Core Ultra 7 155H, Intel Arc 8-Core iGPU (252 - 299, n=34) | |
| Huawei MateBook 14 FLMH-W7611T | |
| Samsung Galaxy Book4 Pro 14 | |
| Lenovo Yoga 9 2-in-1 14IMH9 | |
| WebXPRT 4 / Overall | |
| Genomsnitt av klass Subnotebook (132 - 348, n=70, senaste 2 åren) | |
| Huawei MateBook 14 FLMH-W7611T | |
| Genomsnitt Intel Core Ultra 7 155H, Intel Arc 8-Core iGPU (166.4 - 309, n=29) | |
| Samsung Galaxy Book4 Pro 14 | |
| Lenovo Yoga 9 2-in-1 14IMH9 | |
| HP Pavilion Plus 14-ey0095cl | |
| Mozilla Kraken 1.1 / Total | |
| HP Pavilion Plus 14-ey0095cl | |
| Samsung Galaxy Book4 Pro 14 | |
| Huawei MateBook 14 FLMH-W7611T | |
| Lenovo Yoga 9 2-in-1 14IMH9 | |
| Genomsnitt Intel Core Ultra 7 155H, Intel Arc 8-Core iGPU (517 - 614, n=35) | |
| Acer Swift Go 14 SFG14-72 | |
| Lenovo ThinkPad T14 G4 21K4S02000 | |
| Genomsnitt av klass Subnotebook (265 - 1104, n=74, senaste 2 åren) | |
* ... mindre är bättre
| PCMark 10 Score | 7028 poäng | |
Hjälp | ||
| AIDA64 / Memory Copy | |
| Lenovo Yoga 9 2-in-1 14IMH9 | |
| Samsung Galaxy Book4 Pro 14 | |
| Genomsnitt Intel Core Ultra 7 155H (62397 - 96791, n=50) | |
| Genomsnitt av klass Subnotebook (14554 - 109035, n=69, senaste 2 åren) | |
| Acer Swift Go 14 SFG14-72 | |
| Huawei MateBook 14 FLMH-W7611T | |
| HP Pavilion Plus 14-ey0095cl | |
| Lenovo ThinkPad T14 G4 21K4S02000 | |
| AIDA64 / Memory Read | |
| Lenovo Yoga 9 2-in-1 14IMH9 | |
| Samsung Galaxy Book4 Pro 14 | |
| Genomsnitt Intel Core Ultra 7 155H (60544 - 90647, n=50) | |
| Genomsnitt av klass Subnotebook (15948 - 127174, n=69, senaste 2 åren) | |
| Acer Swift Go 14 SFG14-72 | |
| Huawei MateBook 14 FLMH-W7611T | |
| Lenovo ThinkPad T14 G4 21K4S02000 | |
| HP Pavilion Plus 14-ey0095cl | |
| AIDA64 / Memory Write | |
| Lenovo ThinkPad T14 G4 21K4S02000 | |
| HP Pavilion Plus 14-ey0095cl | |
| Genomsnitt av klass Subnotebook (15709 - 117898, n=69, senaste 2 åren) | |
| Acer Swift Go 14 SFG14-72 | |
| Lenovo Yoga 9 2-in-1 14IMH9 | |
| Genomsnitt Intel Core Ultra 7 155H (58692 - 93451, n=50) | |
| Samsung Galaxy Book4 Pro 14 | |
| Huawei MateBook 14 FLMH-W7611T | |
| AIDA64 / Memory Latency | |
| Huawei MateBook 14 FLMH-W7611T | |
| Lenovo Yoga 9 2-in-1 14IMH9 | |
| Acer Swift Go 14 SFG14-72 | |
| Genomsnitt Intel Core Ultra 7 155H (116.2 - 233, n=50) | |
| Samsung Galaxy Book4 Pro 14 | |
| Lenovo ThinkPad T14 G4 21K4S02000 | |
| HP Pavilion Plus 14-ey0095cl | |
| Genomsnitt av klass Subnotebook (6.8 - 187.8, n=68, senaste 2 åren) | |
* ... mindre är bättre
Lagringsenhet
Western Digital PC SN740 NVMe SSD i vår testenhet är helt tillräcklig för en bärbar multimediator. Dess läs- och skrivhastigheter är bra, men inte på högsta möjliga nivå, som AS SSD visade. Vi kunde inte upptäcka strypning i DiskSPD-slingan. Enligt ChristalDiskInfo håller SSD-enheten bra temperaturer långt under 60 °C.
* ... mindre är bättre
Reading continuous performance: DiskSpd Read Loop, Queue Depth 8
Grafikkort
I princip är den nya 8-kärniga Arc iGPU en kraftfull pixelaccelerator. I vissa benchmarks och spel lyckades chippet till och med överträffa en av Nvidias GPU:er i instegsklassen. Chippet visar också vad det kan göra i MateBook om man bara tittar på de generiska benchmarks.
Trots detta, eftersom iGPU:ns grafikminne är begränsat till 128 MB, har vissa spel och applikationer problem med MateBook 14. Blender behövde ett antal startförsök för att starta beräkningar på MateBook 14 med hjälp av Intels oneAPI. Vissa spel visade varningar om att grafikminnet är otillräckligt men kördes sedan normalt så snart de startades upp. Det var bara Horizon Zero Dawn och Horizon Forbidden West som inte kunde starta överhuvudtaget.
Vi kunde inte hitta någon lösning på detta problem. Enhetens grafikminne kunde inte utökas varken via de olika medföljande programmen eller i den bärbara datorns UEFI. Vi kunde dock reproducera effekten av det låga dedikerade iGPU-minnet på andra enheter som tillåter anpassning. Vi kommer också att diskutera en annan speciell egenskap hos Matebook med avseende på GPU-prestanda i avsnittet om strömhantering längre ner.
| 3DMark 11 Performance | 12483 poäng | |
| 3DMark Cloud Gate Standard Score | 35147 poäng | |
| 3DMark Fire Strike Score | 7919 poäng | |
| 3DMark Time Spy Score | 3767 poäng | |
| 3DMark Steel Nomad Score | 584 poäng | |
| 3DMark Steel Nomad Light Score | 2800 poäng | |
Hjälp | ||
* ... mindre är bättre
Prestanda för spel
I stort sett alla aktuella spel körs på Matebook 14 i Full HD och med medelhöga kvalitetsinställningar. Det finns dock några spel som tidigare nämnts som av någon anledning inte kan hantera den bärbara datorns lågt inställda minne. I allmänhet körs de två spelen från Horizon-serien också ganska smidigt på Arc iGPU, som vår jämförelse av spelprestanda för bärbara datorer visar.
| The Witcher 3 - 1920x1080 Ultra Graphics & Postprocessing (HBAO+) | |
| HP Pavilion Plus 14-ey0095cl | |
| Lenovo ThinkPad T14 G4 21K4S02000 | |
| Genomsnitt av klass Subnotebook (8.5 - 43.7, n=35, senaste 2 åren) | |
| Lenovo Yoga 9 2-in-1 14IMH9 | |
| Acer Swift Go 14 SFG14-72 | |
| Huawei MateBook 14 FLMH-W7611T | |
| Samsung Galaxy Book4 Pro 14 | |
| låg | med. | hög | ultra | QHD | |
|---|---|---|---|---|---|
| The Witcher 3 (2015) | 21.8 | ||||
| Dota 2 Reborn (2015) | 98.4 | 36.2 | 35.9 | 35.2 | |
| Final Fantasy XV Benchmark (2018) | 66.8 | 37.6 | 26.5 | 19.8 | |
| X-Plane 11.11 (2018) | 52.5 | 39.9 | 31.7 | ||
| Far Cry 5 (2018) | 39 | 32 | 31 | ||
| Strange Brigade (2018) | 165.9 | 72.5 | 59.1 | 48.9 | |
| Horizon Zero Dawn (2020) | 0 spelet startar inte | ||||
| F1 23 (2023) | 73.4 | 66.9 | |||
| Baldur's Gate 3 (2023) | 34.6 | 29.6 | 27.7 | 23.6 | |
| Cyberpunk 2077 2.2 Phantom Liberty (2023) | 29.8 | 25.1 | 22.8 | 20.6 | |
| Horizon Forbidden West (2024) | 0 spelet startar inte |
Utsläpp
Bullerutsläpp
Prestandaläge och balanserat läge resulterar i helt olika ljudutsläpp på Matebook. I balanserat läge uppmätte vi cirka 37 dB(A) när vi var placerade 15 cm från testenheten och med Prime95 och Furmark som belastade den fullt ut. I prestandaläge med samma program och samma mätförhållanden noterade vi 9 dB(A) mer. Detta resulterar i ungefär dubbelt så hög upplevd volym. Vid maximalt 46,6 dB(A) är Matebook 14 tydligt hörbar och kan bli irriterande för dem med känsliga öron, även om vi inte vid något tillfälle märkte av något spolegnissel från den bärbara datorn.
Ljudnivå
| Låg belastning |
| 25.11 / 25.11 / 27.2 dB(A) |
| Hög belastning |
| 31.3 / 46.61 dB(A) |
![]() | ||
30 dB tyst 40 dB(A) hörbar 50 dB(A) högt ljud |
||
min: | ||
| Huawei MateBook 14 FLMH-W7611T Arc 8-Core, Ultra 7 155H, WD PC SN740 SDDPNQD-1T00 | Samsung Galaxy Book4 Pro 14 Arc 8-Core, Ultra 7 155H, Samsung PM9B1 512GB MZVL4512HBLU | Lenovo Yoga 9 2-in-1 14IMH9 Arc 8-Core, Ultra 7 155H, Samsung PM9C1a MZAL81T0HDLB | Acer Swift Go 14 SFG14-72 Arc 8-Core, Ultra 7 155H, SK hynix HFS001TEJ9X110NA | Lenovo ThinkPad T14 G4 21K4S02000 Radeon 780M, R7 PRO 7840U, Samsung PM9A1a MZVL21T0HDLU | HP Pavilion Plus 14-ey0095cl Radeon 780M, R7 7840U, WDC PC SN810 1TB | |
|---|---|---|---|---|---|---|
| Noise | 6% | 3% | -1% | 13% | 5% | |
| av / miljö * (dB) | 25.11 | 24.5 2% | 23.2 8% | 25 -0% | 23.1 8% | 23.4 7% |
| Idle Minimum * (dB) | 25.11 | 24.5 2% | 23.6 6% | 25 -0% | 23.1 8% | 24.1 4% |
| Idle Average * (dB) | 25.11 | 24.5 2% | 23.6 6% | 25 -0% | 23.1 8% | 24.1 4% |
| Idle Maximum * (dB) | 27.2 | 24.5 10% | 25 8% | 26.2 4% | 23.1 15% | 25.3 7% |
| Load Average * (dB) | 31.3 | 32.4 -4% | 34.8 -11% | 35.7 -14% | 26.5 15% | 33.4 -7% |
| Load Maximum * (dB) | 46.61 | 36.7 21% | 46.2 1% | 45.5 2% | 35.78 23% | 39.4 15% |
| Witcher 3 ultra * (dB) | 36.7 | 37.7 | 35.7 | 39.4 |
* ... mindre är bättre
Temperatur
Trots sin höga prestanda blir Matebook 14 aldrig supervarm, men de nästan 50 °C som vi uppmätte på undersidan och på vissa delar av ovansidan kan mycket väl bli obehagliga efter längre tidsperioder. Tack och lov kommer du inte ofta i kontakt med dessa hotspots; du bör kanske bara undvika att använda prestandaläget när den bärbara datorn vilar på dina lår. Som ett resultat av de lägre måltemperaturerna i balanserat läge blir enheten inte riktigt lika varm. Dess varmaste punkter ligger då runt 44 °C, vilket är mer behagligt.
(-) Den maximala temperaturen på ovansidan är 45.2 °C / 113 F, jämfört med genomsnittet av 35.9 °C / 97 F , allt från 21.4 till 59 °C för klassen Subnotebook.
(-) Botten värms upp till maximalt 49.2 °C / 121 F, jämfört med genomsnittet av 39.3 °C / 103 F
(+) Vid tomgångsbruk är medeltemperaturen för ovansidan 27.4 °C / 81 F, jämfört med enhetsgenomsnittet på 30.8 °C / ### class_avg_f### F.
(+) Handledsstöden och pekplattan når maximal hudtemperatur (35.2 °C / 95.4 F) och är därför inte varma.
(-) Medeltemperaturen för handledsstödsområdet på liknande enheter var 28.2 °C / 82.8 F (-7 °C / -12.6 F).
| Huawei MateBook 14 FLMH-W7611T Intel Core Ultra 7 155H, Intel Arc 8-Core iGPU | Samsung Galaxy Book4 Pro 14 Intel Core Ultra 7 155H, Intel Arc 8-Core iGPU | Lenovo Yoga 9 2-in-1 14IMH9 Intel Core Ultra 7 155H, Intel Arc 8-Core iGPU | Acer Swift Go 14 SFG14-72 Intel Core Ultra 7 155H, Intel Arc 8-Core iGPU | Lenovo ThinkPad T14 G4 21K4S02000 AMD Ryzen 7 PRO 7840U, AMD Radeon 780M | HP Pavilion Plus 14-ey0095cl AMD Ryzen 7 7840U, AMD Radeon 780M | |
|---|---|---|---|---|---|---|
| Heat | 12% | 0% | 4% | 10% | 18% | |
| Maximum Upper Side * (°C) | 45.2 | 41 9% | 40 12% | 36.5 19% | 43.5 4% | 39 14% |
| Maximum Bottom * (°C) | 49.2 | 44.2 10% | 43 13% | 49.5 -1% | 47.4 4% | 35.8 27% |
| Idle Upper Side * (°C) | 29.6 | 25.3 15% | 32 -8% | 25.5 14% | 24.9 16% | 25.2 15% |
| Idle Bottom * (°C) | 30.2 | 26.2 13% | 35.2 -17% | 35 -16% | 26 14% | 25.6 15% |
* ... mindre är bättre
Högtalare
Huawei MateBook 14 FLMH-W7611T ljudanalys
(+) | högtalare kan spela relativt högt (83.1 dB)
Bas 100 - 315 Hz
(±) | reducerad bas - i genomsnitt 6.4% lägre än medianen
(±) | linjäriteten för basen är genomsnittlig (10.7% delta till föregående frekvens)
Mellan 400 - 2000 Hz
(±) | högre mellan - i genomsnitt 6.1% högre än median
(+) | mids är linjära (6.5% delta till föregående frekvens)
Högsta 2 - 16 kHz
(+) | balanserade toppar - endast 1.7% från medianen
(+) | toppar är linjära (4.4% delta till föregående frekvens)
Totalt 100 - 16 000 Hz
(+) | det totala ljudet är linjärt (10.6% skillnad mot median)
Jämfört med samma klass
» 8% av alla testade enheter i den här klassen var bättre, 3% liknande, 89% sämre
» Den bästa hade ett delta på 5%, genomsnittet var 18%, sämst var 53%
Jämfört med alla testade enheter
» 5% av alla testade enheter var bättre, 1% liknande, 93% sämre
» Den bästa hade ett delta på 4%, genomsnittet var 24%, sämst var 134%
Apple MacBook Pro 16 2021 M1 Pro ljudanalys
(+) | högtalare kan spela relativt högt (84.7 dB)
Bas 100 - 315 Hz
(+) | bra bas - bara 3.8% från medianen
(+) | basen är linjär (5.2% delta till föregående frekvens)
Mellan 400 - 2000 Hz
(+) | balanserad mellan - endast 1.3% från medianen
(+) | mids är linjära (2.1% delta till föregående frekvens)
Högsta 2 - 16 kHz
(+) | balanserade toppar - endast 1.9% från medianen
(+) | toppar är linjära (2.7% delta till föregående frekvens)
Totalt 100 - 16 000 Hz
(+) | det totala ljudet är linjärt (4.6% skillnad mot median)
Jämfört med samma klass
» 0% av alla testade enheter i den här klassen var bättre, 0% liknande, 100% sämre
» Den bästa hade ett delta på 5%, genomsnittet var 17%, sämst var 45%
Jämfört med alla testade enheter
» 0% av alla testade enheter var bättre, 0% liknande, 100% sämre
» Den bästa hade ett delta på 4%, genomsnittet var 24%, sämst var 134%
Energihantering
Strömförbrukning
Matebook levereras med ett 65-watts nätaggregat som helt enkelt inte kan ge tillräckligt med energi för enheten. Under stresstestet (se nedan) tömdes den bärbara datorns batteri. Med ett mer kraftfullt 100-watts nätaggregat ökar Matebooks maximala strömförbrukning från 67,7 watt till 85 watt. Vi har dock medvetet använt den ursprungliga strömförsörjningsenheten för våra effektmätningar.
Totalt sett kräver Matebook 14 en rimlig mängd ström för sin prestanda. I viloläge och under låg belastning är den bärbara datorn till och med ganska energieffektiv trots sin OLED-skärm - om du begränsar skärmens ljusstyrka. Som typiskt för OLED-skärmar ökar strömförbrukningen betydligt vid högre ljusstyrka på skärmen.
| Av/Standby | |
| Låg belastning | |
| Hög belastning |
|
Förklaring:
min: | |
| Huawei MateBook 14 FLMH-W7611T Ultra 7 155H, Arc 8-Core, WD PC SN740 SDDPNQD-1T00, OLED, 2880x1920, 14.2" | Samsung Galaxy Book4 Pro 14 Ultra 7 155H, Arc 8-Core, Samsung PM9B1 512GB MZVL4512HBLU, OLED, 2880x1800, 14" | Lenovo Yoga 9 2-in-1 14IMH9 Ultra 7 155H, Arc 8-Core, Samsung PM9C1a MZAL81T0HDLB, OLED, 2880x1800, 14" | Acer Swift Go 14 SFG14-72 Ultra 7 155H, Arc 8-Core, SK hynix HFS001TEJ9X110NA, OLED, 2880x1800, 14" | Lenovo ThinkPad T14 G4 21K4S02000 R7 PRO 7840U, Radeon 780M, Samsung PM9A1a MZVL21T0HDLU, IPS LED, 1920x1200, 14" | HP Pavilion Plus 14-ey0095cl R7 7840U, Radeon 780M, WDC PC SN810 1TB, OLED, 2880x1800, 14" | Genomsnitt Intel Arc 8-Core iGPU | Genomsnitt av klass Subnotebook | |
|---|---|---|---|---|---|---|---|---|
| Power Consumption | -3% | -7% | -28% | 22% | -2% | -20% | 5% | |
| Idle Minimum * (Watt) | 4.4 | 5.7 -30% | 4.2 5% | 5.5 -25% | 3.3 25% | 6 -36% | 5.34 ? -21% | 4.12 ? 6% |
| Idle Average * (Watt) | 5.6 | 8.7 -55% | 7.1 -27% | 10.1 -80% | 5.6 -0% | 6.5 -16% | 8.54 ? -53% | 7.01 ? -25% |
| Idle Maximum * (Watt) | 12.5 | 8.9 29% | 12.9 -3% | 11.2 10% | 6.1 51% | 13.9 -11% | 11.9 ? 5% | 8.63 ? 31% |
| Load Average * (Watt) | 52.1 | 44.5 15% | 58.9 -13% | 45.9 12% | 40.1 23% | 41.9 20% | 54 ? -4% | 44.7 ? 14% |
| Witcher 3 ultra * (Watt) | 46.7 | 36.9 21% | 49.5 -6% | 60.9 -30% | 41.4 11% | 43.9 6% | ||
| Load Maximum * (Watt) | 67.3 | 65.2 3% | 66.7 1% | 104.1 -55% | 51.8 23% | 50.8 25% | 84.9 ? -26% | 68.6 ? -2% |
* ... mindre är bättre
Power consumption Witcher 3 / stress test
Power consumption with external monitor
Stresstest
I stresstestet med Prime95 och Furmark uppmätte vi några periodiskt förekommande kraftiga fluktuationer i den bärbara datorns strömförbrukning och processorns klockfrekvens. Där vi inledningsvis antog att det handlade om bristande kylning, visade det sig snabbt att strömförsörjningen hade ett starkt inflytande här. Nätaggregatet på 65 watt blev ganska varmt och begränsade sin uteffekt. Som ett resultat kunde enhetens fulla prestanda inte utnyttjas. Detta visade sig också i benchmarks med 3D Mark, som utfördes med originalnätaggregatet, ett 100-watts nätaggregat och i batteriläge. Intressant nog kunde Matebook erbjuda mer prestanda både i batteriläge och med det kraftfullare nätaggregatet än vad som var fallet med 65-watts nätaggregatet. Alla följande Time Spy benchmarks utfördes i prestandaläge. Detta visar att batteridrift kan ge högre prestanda än nätdrift när man använder det ursprungliga nätaggregatet.
Resultat av 3D Mark Time Spy i olika scenarier
Körtider
Den bärbara Huawei-datorns batteritid visade sig vara bra i vårt Wi-Fi-webbsurfningstest. Med en drifttid på 12 timmar kommer du säkert att klara dig genom dagen. Men om du använder enhetens fulla kraft, till exempel vid spel eller när du kör krävande applikationer, minskar batteriets uthållighet snabbt. Med en kapacitet på 70 watt-timmar är batteriet lämpligt för Matebooks storlek, men den bärbara datorn kan lätt kräva mellan 50 och 70 watt ström. I en nödsituation räcker batteriet bara till en eller två timmars drift. Laddningen med originalladdaren är mycket långsam, beroende på batteriets kapacitet och strömförsörjningsenhetens effekt. När den bärbara datorn är påslagen i viloläge tar det mer än 90 minuter innan batteriet är fulladdat.
| Huawei MateBook 14 FLMH-W7611T Ultra 7 155H, Arc 8-Core, 70 Wh | Samsung Galaxy Book4 Pro 14 Ultra 7 155H, Arc 8-Core, 63 Wh | Lenovo Yoga 9 2-in-1 14IMH9 Ultra 7 155H, Arc 8-Core, 75 Wh | Acer Swift Go 14 SFG14-72 Ultra 7 155H, Arc 8-Core, 65 Wh | Lenovo ThinkPad T14 G4 21K4S02000 R7 PRO 7840U, Radeon 780M, 52.5 Wh | HP Pavilion Plus 14-ey0095cl R7 7840U, Radeon 780M, 68 Wh | Genomsnitt av klass Subnotebook | |
|---|---|---|---|---|---|---|---|
| Batteridrifttid | -44% | -36% | -50% | -25% | -35% | -11% | |
| WiFi v1.3 (h) | 12.6 | 7.6 -40% | 10 -21% | 8 -37% | 12.2 -3% | 8.5 -33% | 13.2 ? 5% |
| Gaming (h) | 1.4 | 1.417 ? 1% | |||||
| Load (h) | 3.2 | 1.7 -47% | 1.6 -50% | 1.2 -62% | 1.7 -47% | 2 -37% | 1.924 ? -40% |
| H.264 (h) | 15.3 | 16.5 ? | |||||
| Reader / Idle (h) | 14.3 | 16.9 | 30.7 ? |
För
Emot
Omdöme - Många mindre brister
Det går inte att förneka styrkorna hos Huawei Matebook 14 (2024). En iögonfallande design möter mestadels felfri prestanda. Dess högupplösta OLED-panel levererar en briljant bild med stark färgåtergivning. I det här fallet är den bärbara datorns högtalarkvalitet också fantastisk. Matebook 14 är en outsider med stor potential. Om du arbetar mycket med bärbara datorer vet du att du kommer att uppskatta 3:2-skärmen. Om du ofta befinner dig på språng kanske du vill leta efter ett mer robust fodral tillverkat av aluminium. Tyvärr finns det en hel del punkter som kanske inte är alltför fördelaktiga för enheten.
Det är synd att strömförsörjningen som levereras av Huawei inte är tillräckligt kraftfull, vilket leder till att den bärbara datorn inte kan dra full nytta av dess kapacitet. Inställningen för iGPU: s RAM är inte heller idealisk och är en onödig kritikpunkt som tillverkaren tack och lov kanske kan lösa genom en firmwareuppdatering. Å andra sidan kan ingen uppdatering i hela världen förbättra dess WLAN-modul och mediokra anslutningsmöjligheter. För att inte tala om att dess webbkamera också visade vissa bildfel under vårt test, vilket bidrar ganska rejält till den bärbara datorns helhetsintryck. Ändå kanske du kan komma bra överens med dessa negativa punkter. I praktisk användning märker vi ofta inte någon skillnad mellan Wi-Fi 6 och Wi-Fi 6E. Du kan arbeta med webbkamerans bild. Dessutom kommer även problemet med RAM-minnet bara att märkas i de sällsynta fallen.
En bärbar dator utan klockor och visselpipor som fortfarande sticker ut tack vare sin färg. Matebooks styrkor ligger i den robusta processorprestandan, de intensiva färgerna och det kraftfulla ljudet. Dess andra funktioner är å andra sidan inte lika påkostade.
MateBook kommer inte utan alternativ - om du kan leva utan den gröna färgen och bildförhållandet 3:2. Flera alternativ är dock ganska mycket dyrare. Matebook kostar cirka 1 500 US-dollar. Samsung kräver cirka 2 200 USD för sin Galaxy Book4 Pro och Lenovos Yoga 9 kan hittas för ungefär samma pris som Matebook nuförtiden. Något billigare, å andra sidan, är Acer Swift Go 14. Alla bärbara datorers prestandaspecifikationer skiljer sig knappt från varandra. Detta innebär att Matebook 14 måste möta en stark konkurrens. Ändå har alla dess konkurrenter sitt eget unika utbud av brister.
Pris och tillgänglighet
Den nya Matebook Pro 14 med Intel Core Ultra 7 säljs i butik för cirka 1 500 USD. Den finns ännu inte tillgänglig för köp online i USA.
Huawei MateBook 14 FLMH-W7611T
- 06/19/2024 v8
Marc Herter
Genomskinlighet
Valet av enheter som ska granskas görs av vår redaktion. Testprovet gavs till författaren som ett lån av tillverkaren eller återförsäljaren för denna recension. Långivaren hade inget inflytande på denna recension och inte heller fick tillverkaren en kopia av denna recension innan publiceringen. Det fanns ingen skyldighet att publicera denna recension. Som ett oberoende medieföretag är Notebookcheck inte föremål för auktoritet från tillverkare, återförsäljare eller förlag.
This is how Notebookcheck is testingEvery year, Notebookcheck independently reviews hundreds of laptops and smartphones using standardized procedures to ensure that all results are comparable. We have continuously developed our test methods for around 20 years and set industry standards in the process. In our test labs, high-quality measuring equipment is utilized by experienced technicians and editors. These tests involve a multi-stage validation process. Our complex rating system is based on hundreds of well-founded measurements and benchmarks, which maintains objectivity.










































































